欢迎进入无锡双尧液压油缸有限公司官方网站!

收藏本站| 网站操作指南 登录| 注册

高性能伺服推杆 高精密液压油缸

中国企业-行业领先

全国服务咨询热线

电动推杆

您的位置:首页>产品中心>电动推杆>平行式电动推杆

平行式电动推杆

平行式电动推杆(带外行程)

平行式电动推杆(带手轮)

平行式电动推杆(摆线减速电机)

平行式电动推杆(制动电机)

型号示例:

  • 名称:平行式电动推杆
  • 品牌:SanYo
  • 型号:DTP500-400/50   
  • 电机:380V,IP55

型号

额定输出力(Kgf)

额定速度(mm/s)

电机功率(kw)

行程制造范围

100mm行程推杆重量

推力

拉力

L

M

H

L

M

H

(mm)

(Kg)

DTP

100

100

100

25

50

100

0.12

0.18

0.37

100~800

20

300

300

300

25

50

100

0.37

0.37

0.55

100~800

23

500

500

500

25

50

100

0.55

0.75

1.1

100~1200

40

700

700

700

25

50

100

0.75

1.1

1.5

100~1200

55

1000

1000

1000

25

50

100

1.1

1.5

2.2

100~1200

70

1600

1600

1600

25

50

 

1.5

2.2

 

200~1400

100

2000

2000

2000

25

50

 

2.2

3.0

 

200~1400

125

3200

3200

3200

25

50

 

3.0

5.5

 

200~1600

200

5000

5000

5000

25

50

 

4.0

7.5

 

200~1600

230

8000

8000

8000

25

50

 

5.5

7.5

 

250~2000

340

10000

10000

10000

25

50

 

7.5

11.0

 

250~2000

360

注: 1、上列表中的电机电压等级为380V,防护等级为IP55,绝缘等级为F级(根据用户要求可配220V或

    415V,防护等级为IP56或IP65,或耐高温(120℃)等特殊电机)。

  2、表中的电机型号及功率,指该推杆在额定输出力、额定速度时为最大值的功率,电机功率与推拉力

    成正比。

  3、表中额定速度为常规速度,若推拉速有特殊要求订货时需说明,若超出表中行程制造范围必须在订

    货时说明。

  4、若无特殊说明电动推杆使用地点的海拔高度不超过1500m,月平均最高相对湿度不超过85%,电动推

    杆使用的工作环境温度为:-20+60℃。

  5、本公司可定制各类特种电动推杆,推速0.1~135mm/s,环境温度最高可达120℃,可配制防爆、制

    动、变频、耐高温、特殊电压、高防护等各类特殊型电机,并可加装手轮装置,实现手动驱动。

  6、用户可定制成滚珠丝杆传动付,安装尺寸不变,电机需采用制动电机。

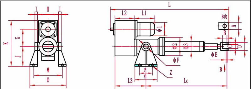
无锡双尧液压油缸有限公司-平行式电动推杆型号示例:DTP300-550/50
注意:订货时若需随机订购外行程装置、安装支架或手轮等附件需另行注明!

型号

度尺寸(mm)

注: 表中均为推杆缩回状态尺寸

联接头(mm

高宽度

内外套

支承架

L

Lc

L1

L2

L3

A

B

C

D

ΦE

ΦF

G

H

I

J

K

Φ1

Φ2

Φ3

M

O

P

Y

Z

DTP

100-□/□

370+S

200+S

170

75

115

35

26

20

45

16

20

125

145

20

152

345

110

140

64

230

282

80

140

4-Φ13

300-□/□

370+S

200+S

172

75

115

35

26

20

45

16

20

125

145

20

152

345

110

140

64

230

282

80

140

4-Φ13

500-□/□

435+S

230+S

265

112

154

40

26

25

55

16

20

163

170

25

192

455

165

165

76

260

306

95

160

4-Φ14

700-□/□

435+S

230+S

265

112

154

40

26

25

55

16

20

163

170

25

192

455

165

165

76

260

306

95

160

4-Φ14

1000-□/□

435+S

230+S

280

112

154

40

26

25

55

16

20

163

170

25

192

455

175

165

76

260

306

95

160

4-Φ14

1600-□/□

510+S

223+S

280

120

160

50

32

35

70

20

25

200

220

25

200

500

175

200

95

300

350

120

160

4-Φ18

2000-□/□

510+S

223+S

335

120

160

50

32

35

70

20

25

200

220

25

200

500

175

200

95

300

350

120

160

4-Φ18

3200-□/□

550+S

305+S

340

132

172

70

50

40

80

35

30

279

275

30

230

635

205

240

108

375

440

160

220

4-Φ22

5000-□/□

550+S

305+S

360

132

172

70

50

40

80

35

30

279

275

30

230

635

230

240

108

375

440

160

220

4-Φ22

8000-□/□

1017+S

450+S

385

165

220

110

100

65

125

60

60

312

325

50

250

717

260

330

146

485

575

180

250

4-Φ26

10000-□/□

1017+S

450+S

425

165

220

110

100

65

125

60

60

312

325

50

250

717

260

330

146

485

575

180

250

4-Φ26

客服