|
|
|
|
WDYTX3000-300/30(杆端带关节轴承)(DC24V电机) |
2WDYTJ500-500/6(双缸双耳环)(脚架安装)(AC380V电机) |
|
|
|
|
2WDYTD2000-100/8(双缸双耳环)(底座安装)(DC24V电机) |
WDYTX1000-300/30(前后耳环)(DC24V电机) |
描述
● WDYT型微型电液推杆是一种机、电、液一体化的超微型传动机构。适用于需要往复推拉直线(或往复旋转一定角度)运动。它通过DC12V或DC24V微型直流电机正反转驱动双向微型齿轮油泵进行供油,所有液压阀均采用螺纹插装结构,可根据用户要求设计不同功能的油路组合,满足其工作要求。推杆推拉均自锁,可停在行程范围内的任何位置,并且可以进行遥控控制,具有结构紧凑、体积小,故障率低,操作方便等优点。
集成电路板可进行点动或互锁跳线转换,并可设置行程开关 或接近开关等进行限位控制。遥控器带学习功能,用户可根据需要进行学习或清零等操作。
● WDYT型微型电液推杆由于采用微型直流电机驱动(无散热风扇)且油箱小(储油少),因此推杆制作行程较短并且不宜使用在推杆频繁操作等场合,一般要求推杆在5分种内操作次数不易超过10次,而且推杆到位应极时断电停机,否则易损坏变压器电源或烧毁电机或造成推杆油箱等过热,为了防止限位开关损坏后或工人误操作等造成以上情况出现,可在电路里设置过电流保护及短路保护等,电机为防止烧毁可设置继电器保护(出厂时电机一般不带继电器,用户若需可向我公司单独订购)。
注意:变压器、集成电路板、遥控器等电气控制部件用户需另行购买!集成电路板、电机等由于误操作造成烧毁不属质保范围!
型 号选择
WDYT -
1500 -
350 /
31
-
P
C
WDYT
-WDYT:微型电液推杆(标准型);WDYTX:微型电液推杆(悬挂式)
1500
-推杆推力:1500kg·f
350
–推杆行程=350mm
31
–推杆推速约=31mm/s
P
–P:安装方向为水平推;S:安装方向为向上(斜向上)推;X:安装方向为向下(斜向下)推;
C
–推杆受力形式,A型:推杆伸出时受力,缩回时不受力且需背负支撑;B型:推杆缩回时受力,伸出时不受力且需背负支撑; C型:推杆伸出及缩回时均受力,伸出缩回时均不需背负支撑;D型:推杆伸出及缩回时均受力,伸出缩回时均需背负支撑;
电气线路图(仅供参考)
|
WDYT型微型电液推杆技术参数(选型表) |
|||||||
|
型号 |
最大输出力(Kgf) |
额定速度(mm/s) (特殊速度可定制) |
电机功率(w) (DC24V)
|
行程制造范围 (mm) |
|||
|
推力 |
拉力 |
推速 |
拉速 |
||||
|
WDYT WDYTX |
100 |
100 |
80 |
46 |
83 |
400W |
30~600 |
|
300 |
300 |
200 |
|||||
|
500 |
500 |
350 |
|||||
|
750 |
750 |
500 |
|||||
|
1000 |
1000 |
650 |
26 |
35 |
400W |
30~600 |
|
|
1500 |
1500 |
900 |
26 |
43 |
400W |
||
|
2000 |
1750 |
1300 |
17 |
24 |
400W |
30~600 |
|
|
2500 |
2500 |
1900 |
|||||
|
3000 |
3000 |
2200 |
10 |
15 |
400W |
||
|
4000 |
4000 |
3000 |
|||||
注: 1.上列表中的电机电压等级为DC12V或DC24V,防护等级为IP54,绝缘等级为F级,负载后转速在2500-3500转/
分,我厂使用国产直流电机转速:2800转/分(DC24V-400W~500W);3650转/分(DC24V-800W~1000W)。
2.表中的电机型号及功率,指该推杆在额定输出力、额定速度时为最大值的功率,电机功率与推拉力成正比。
3.表中额定速度为常规速度(实际速度与电机转速相关,空载或轻载时电机转速较高,满载时电机转度较低),
若推拉速有特殊要求订货时需说明,若超出表中行程制造范围必须在订货时说明。
4.若无特殊说明电液推杆使用地点的海拔高度不超过1000m,月平均最高相对湿度不超过90%,电液推杆使用的工作
环境温度为:-5~+50℃,工作介质随环境温度不同,选用合适的液压油(-5~+20℃时采用32#抗磨液压油
(L—HM32),+20~+50℃时采用46#抗磨液压油(L-HM46)),液压油加注前需过滤,过滤精度100μm以上。
5.WDYT型微型电液推杆(WDYT型)制造行程在10-600mm范围内(由于油箱容积小,油缸杆径细等,因此制造行程被
限制),若超出规定行程需与我方技术人员联系,在确保强度及用油量的情况下可定制。
|
无锡市名尧电液推杆厂-WDYT型微型电液推杆型号示例:WDYT1000-300/30-S(标准式) |
||||||||||||||||||
|
|
||||||||||||||||||
|
注意:订货时若需随机订购外行程装置或遥控器等附件需另行注明! |
||||||||||||||||||
|
型号 |
外形尺寸(mm) 注: 表中均为推杆缩回状态尺寸,S为行程 |
安装尺寸(mm
|
||||||||||||||||
|
Lc |
Lc1 |
L |
L1 |
L2 |
L3 |
L4 |
d |
d1 |
d2 |
d3 |
D |
D1 |
D2 |
M |
N |
E |
F |
|
|
100-□/□ |
100+S |
100+S |
200+S |
17 |
27 |
150 |
150~170 |
Φ20 |
14 |
Φ30 |
Φ10 |
Φ50 |
Φ90 |
Φ92
|
110 |
70 |
95 |
183 |
|
300-□/□ |
||||||||||||||||||
|
500-□/□ |
210+S |
24 |
30 |
18 |
Φ39 |
Φ14 |
||||||||||||
|
750-□/□ |
||||||||||||||||||
|
1000-□/□ |
110+S |
220+S |
Φ60 |
|||||||||||||||
|
1500-□/□ |
150+S |
125+S |
255+S |
25 |
40 |
150~400 |
Φ25 |
22 |
Φ54 |
Φ18 |
Φ60 |
120 |
80 |
95 |
186 |
|||
|
2000-□/□ |
135+S |
265+S |
Φ85 |
Φ120 |
145 |
95 |
105 |
202 |
||||||||||
|
2500-□/□ |
||||||||||||||||||
|
3000-□/□ |
145+S |
305 |
30 |
50 |
Φ30 |
25 |
Φ68 |
Φ25 |
Φ96 |
168 |
108 |
110 |
212 |
|||||
|
4000-□/□ |
||||||||||||||||||
|
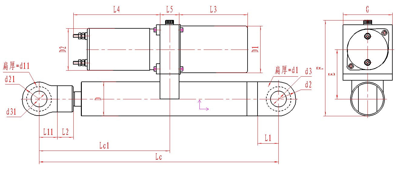
无锡市名尧电液推杆厂-WDYTX型微型电液推杆型号示例:WDYTX1000-300/30(悬挂式) |
|||||||||||||||
|
|
|||||||||||||||
|
注意:订货时若需随机订购外行程装置或遥控器等附件需另行注明! |
|||||||||||||||
|
型号 |
外形尺寸(mm) 注: 表中均为推杆缩回状态尺寸,S为行程 |
安装尺寸(mm
|
|||||||||||||
|
Lc |
Lc1 |
L1 |
L2 |
L3 |
L4 |
d1 |
d2 |
d3 |
D |
D1 |
D2 |
E |
F |
G |
|
|
L11 |
d11 |
d21 |
d31 |
||||||||||||
|
100-□/□ |
220+S |
100+S |
23 23 |
48 |
150 |
150~170 |
20 23 |
SR20 SR23 |
Φ15 Φ18 |
Φ50 |
Φ90 |
Φ92 |
95 |
183 |
94 |
|
300-□/□ |
|||||||||||||||
|
500-□/□ |
|||||||||||||||
|
750-□/□ |
|||||||||||||||
|
1000-□/□ |
228+S |
110+S |
25 25 |
52 |
22 25 |
SR22 SR25 |
Φ17 Φ20 |
Φ60 |
|||||||
|
1500-□/□ |
259+S |
125+S |
30 28 |
57 |
150~400 |
25 28 |
SR27 SR27 |
Φ20 Φ22 |
Φ60 |
99 |
186 |
||||
|
2000-□/□ |
289+S |
135+S |
40 30 |
64 |
30 31 |
SR32 SR30 |
Φ30 Φ25 |
Φ85 |
Φ120 |
105 |
202 |
||||
|
2500-□/□ |
|||||||||||||||
|
3000-□/□ |
325+S |
145+S |
45 35 |
75 |
35 37 |
SR35 SR35 |
Φ35 Φ30 |
Φ96 |
110 |
212 |
|||||
|
4000-□/□ |
|||||||||||||||