欢迎进入无锡双尧液压油缸有限公司官方网站!

收藏本站| 网站操作指南 登录| 注册

高性能伺服推杆 高精密液压油缸

中国企业-行业领先

全国服务咨询热线

电液推杆

您的位置:首页>产品中心>电液推杆>平行底座式电液推杆

平行底座式电液推杆

平行底座式液推杆(制动电机)

平行底座式电液推杆(二节伸缩油缸)

平行底座式电液推杆(防爆电机)

 

型号示例:

  • 名称:平行底座式电液推杆
  • 品牌:SanYo
  • 型号:DYTPD1000-500/45   
  • 电机:380V,IP55

DYTPD型平行底座式电液推杆技术参数(选型表)

型号

额定输出力(Kgf)

额定速度(mm/s)(特殊速度可定制)

电机型号(kw)

行程制造范围

速度制造范围

推力

拉力

推速

拉速

(mm)

(mm)

DYTP

100

100

75

70/110/185/259

90/145/245/343

0.55/0.55/0.55/0.75

5800

5~250

300

300

200

45/70/115/160

65/100/145/200

0.55/0.55/0.75/1.1

5~1000

5~250

500

500

350

45/70/115/160

65/100/145/200

0.55/0.75/0.75/1.1

5~1000

5~250

750

750

500

30/45/70/100

43/65/100/165

0.55/0.75/1.1/1.1

51500

5~170

1000

1000

750

30/45/70/100

43/65/100/145

0.75/1.1/1.5/2.2

51500

5170

1750

1750

1300

30/45/70/100

43/65/100/145

0.75/1.5/2.2/3.0

51500

5~170

2500

2500

1900

20/30/60/80/95

35/50/85/120/140

1.1/1.5/2.2/3/4

52000

5~150

3000

3000

2200

15/25/45/60/70/90

25/40/65/90/105/135

0.75/1.1/2.2/3/4

52500

5~110

4000

4000

3000

15/20/35/50/60/70

20/30/50/70/80/100

0.75/1.5/2.2/3/3/4

52500

5~85

5000

5000

3500

10/15/25/40/45/55

15/25/40/55/65/80

0.75/1.5/2.2/3/3/4

52500

5~75

6000

6000

4500

10/15/25/40/45/55

15/25/40/55/65/80

1.1/1.5/2.2/3/4/4

53000

5~75

8000

8000

5500

7/10/18/25/30/38

10/15/25/40/45/55

1.1/1.5/2.2/3/4/4

53000

5~50

10000

10000

7700

6/9/15/20/25/30

8/12/22/30/35/44

1.1/1.5/2.2/3/4/4

53000

5~39

15000

15000

11500

7/12/16/19/23/30

9/16/22/25/32/40

1.5/2.2/3/4/5.5/5.5

5~3000

5~30

20000

20000

16000

5/9/13/15/18/23

7/12/17/20/25/31

1.5/3/4/4/5.5/5.5

5~3000

523

30000

30000

22000

4/7/9/11/14/17

6/10/14/16/20/25

2.2/3/4/5.5/5.5/7.5

53000

5~19

注:1.上列表中的电机电压等级为380V,防护等级为IP55,绝缘等级为F级(根据用户要求可配220V或415V,防护

       等级为IP56、、IP65,或耐高温(120℃)等特殊电机。

    2.表中的电机型号及功率,指该推杆在额定输出力、额定速度时为最大值的功率,电机功率与推拉力成正比。

    3.表中额定速度为常规速度,若推拉速有特殊要求订货时需说明,若超出表中行程制造范围必须在订货时说

      明。

    4.若无特殊说明电液推杆使用地点的海拔高度不超过1000m,月平均最高相对湿度不超过90%电液推杆使用

      的工作环境温度为:-5+50℃,工作介质随环境温度不同,选用合适的液压油(-10+20℃时采用32#抗磨

     液压油(L—HM32)+0+50时采用46#抗磨液压油(L-HM46)),液压油加注前需过滤,过滤精度

     100μm以上

    5.整体外置式电液推杆(DYTZW型)制造行程在10-600mm范围内(由于油箱容积小,所以制造行程被限

       制),若超出规定行程可选用整体直式型(DYTZ型),技术参数基本相同。

    6.本公司可定制各类特种电液推杆,推力最大可达80T,行程最长达8米,环境温度最高可达120℃,可配制

      防爆、 制动、变频、耐高温、特殊电压、高防护等级等各类特殊型电机,并可加装手轮装置,实现手动驱

      动。

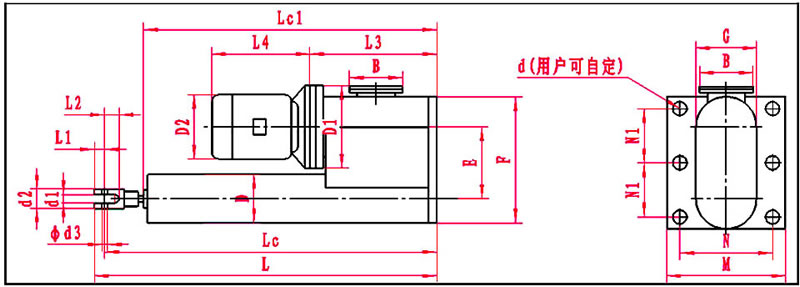
无锡双尧液压油缸有限公司-平行底座式电 液推杆型号示例:DYTPD2000-555/45
注意:订货时若需随机订购外行程装置或手轮等附件需另行注明!

型号

外形尺寸(mm)

注: 表中均为推杆缩回状态尺寸,S为行程

安装尺寸(mm

注:电机相关尺寸根据电动机型号及实物定

Lc

Lc1

L

L1

L2

L3

L4

d

d1

d2

d3

D

D1

D2

M

N

N1

E

F

G

B

100-□/□

211+S

128+S

228+S

17

27

308

246

Φ12

14

Φ30

Φ10

146

200

175

220

185

150

190

336

146

150

300-□/□

229+S

138+S

253+S

24

30

308

246

Φ12

18

Φ40

Φ12

146

200

175

220

185

150

190

336

146

150

450-□/□

229+S

138+S

253+S

24

30

308

246

Φ12

18

Φ40

Φ12

146

200

175

220

185

150

190

336

146

150

750-□/□

273+S

148+S

303+S

30

45

315

246

Φ14

25

Φ60

Φ20

146

200

175

220

185

150

190

336

146

150

1000-□/□

273+S

148+S

303+S

30

45

315

261

Φ14

25

Φ60

Φ20

146

200

175

220

185

150

190

336

146

150

1750-□/□

273+S

148+S

303+S

30

45

325

286

Φ14

25

Φ60

Φ20

146

200

195

220

185

150

190

336

146

150

2500-□/□

273+S

148+S

303+S

30

45

325

286

Φ14

25

Φ60

Φ20

159

200

195

240

200

160

210

369

159

150

3000-□/□

283+S

148+S

323+S

40

50

331

316

Φ14

30

Φ70

Φ30

159

250

215

240

200

170

220

379

159

150

4000-□/□

303+S

168+S

343+S

40

50

331

316

Φ18

30

Φ70

Φ30

159

250

215

240

200

170

220

379

180

150

5000-□/□

303+S

168+S

343+S

40

50

334

316

Φ18

30

Φ70

Φ30

180

250

215

290

240

180

240

420

180

150

6000-□/□

318+S

168+S

361+S

42

55

334

316

Φ22

35

Φ90

Φ35

180

250

215

290

240

180

250

430

180

150

8000-□/□

338+S

193+S

380+S

42

55

341

316

Φ22

35

Φ90

Φ35

219

250

215

330

280

215

250

469

219

150

10000-□/□

348+S

203+S

390+S

42

55

341

336

Φ22

35

Φ90

Φ35

219

250

240

330

280

215

250

469

219

200

15000-□/□

398+S

213+S

448+S

50

70

348

391

Φ26

45

Φ120

Φ40

245

300

275

370

310

240

300

545

245

200

20000-□/□

418+S

233+S

468+S

50

70

348

391

Φ26

45

Φ120

Φ40

300

300

275

440

380

280

320

620

300

200

客服