欢迎进入无锡双尧液压油缸有限公司官方网站!

收藏本站| 网站操作指南 登录| 注册

高性能伺服推杆 高精密液压油缸

中国企业-行业领先

全国服务咨询热线

液压油缸

您的位置:首页>产品中心>液压油缸>工程液压缸

工程液压缸

工程液压缸(前后耳环)

工程液压缸(中间耳轴)

工程液压缸(前后耳环)

 

型号示例:

  • 名称:液压油缸
  • 品牌:SanYo
  • 型号:HSG63/35-850   
  • 安装方式:前后耳环

描述

HSG型工程液压油缸(液压缸)为双作用单活塞杆式液压缸。具有安装连接方式多样以及可带缓冲装置等特点。适用于工程机械、起重运输机械、船舶机械、冶金矿山机械以及其它液压系统。


型号选择

HSG - L - 01 -  D/d × 100 -E 2 5 0 1  
  HSG
双作用单杆活塞式液压缸
    L缸盖连接方式:L=螺纹式(缸径Φ80);K=卡键式(缸径Φ80)
   01设计序号
  D/d
缸径mm/活塞杆径mm
  100
液压缸行程
    E压力等级16MPa
    2缸头、缸筒连接方式:1=缸头耳环带衬套;2=缸头耳环带关节轴承;3=铰轴(用于缸径Φ80卡键式连

              接);4=端部法兰(用于缸径Φ80卡键式连接);5=中部法兰(用于缸径Φ80卡键式连接)
    5活塞杆端连接方式代号:1=杆端外螺纹;2=杆端内螺纹(缸径≥63);3=杆端外螺纹杆头耳环带衬套;4=

              杆端内螺纹杆头耳环带衬套(缸径≥63);5=杆端外螺纹杆头耳环带关节轴承;6=杆端内螺纹杆头耳环带

              关节轴承(缸径≥63);7=整体式活塞杆耳环带衬套(缸径=40、50);8=整体式活塞杆耳环带关节轴承

             (缸径=40、50)
    0缓冲部位代号:0=不带缓冲;1=两端带缓冲;2=缸头端带缓冲;3=杆头端带缓冲
    1油口连接方式代号:1=内螺纹
 

※工程液压缸基本参数

型号

公称压力MPa

缸径D(mm)

Ψ=1.33

Ψ=1.46

Ψ=2

最小行程S(mm)

Ψ=1.46

杆径d(mm)

最大行程S(mm)

杆径d(mm)

最大行程S(mm)

杆径d(mm)

最大行程S(mm)

推力(N)

拉力(N)

HSGL01-40/dE

16

40

20

1000

22

1000

25

1000

-

20090

14020

HSGL01-50/dE

50

25

1000

28

1000

32

1000

-

31400

21550

HSGL01-63/dE

63

32

2000

35

2000

45

2000

-

49870

34480

HSGL01-80/dE

80

40

2000

45

3000

55

3000

-

49870

54980

HSGL01-80/dE

80

40

3000

45

3000

-

-

30

80420

54980

HSGL01-90/dE

90

45

3000

50

3000

63

3000

40

101790

70360

HSGL01-100/dE

100

50

3000

55

3000

70

3000

40

125660

87650

HSGL01-110/dE

110

55

3000

63

3000

80

3000

45

152050

102180

HSGL01-125/dE

125

63

3000

70

3000

90

3000

35

196350

134770

HSGL01-140/dE

140

70

3000

80

3000

100

3000

50

246300

165880

HSGL01-150/dE

150

75

3000

85

3000

105

3000

55

282600

191850

HSGL01-160/dE

160

80

3000

90

3000

110

3000

45

321700

219910

HSGL01-180/dE

180

90

3000

100

3000

125

3000

45

407150

281500

HSGL01-200/dE

200

100

3000

110

3000

140

3000

50

502660

350600

HSGL01-220/dE

220

110

3000

125

3000

160

3000

60

608200

411860

HSGL01-250/dE

250

125

3000

140

3000

180

3000

60

785600

539100

注:1.速比Ψ为活塞腔有效面积与活塞杆腔有效面积之比。
    2.最大行程原则上是:Ψ=1.33时,S=8D;Ψ=1.45时,S=10D;Ψ=2时,S=12D;(D为缸径)。
 3.最小行程不包括缸头、缸筒连接方式为铰轴及中部法兰型
 

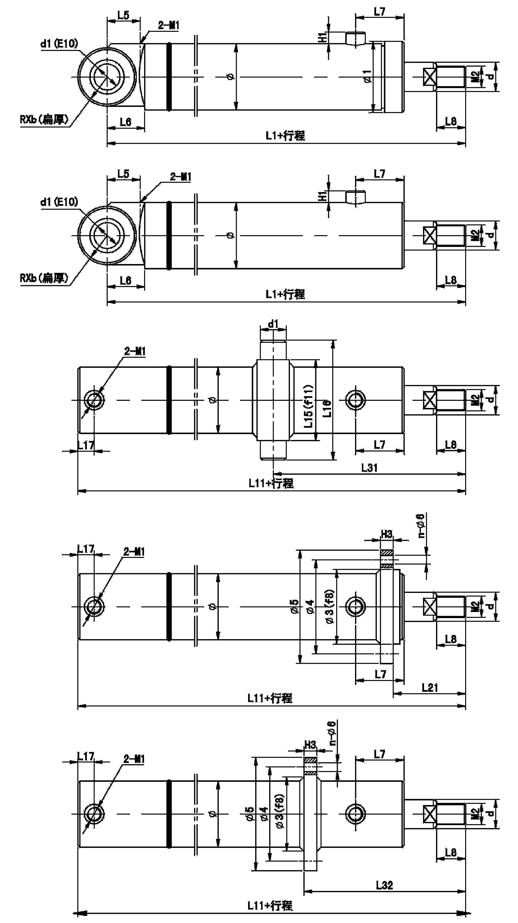
工程液压缸外形安装连接尺寸图(活塞杆端为外螺纹连接)

 

活塞杆端为外螺纹连接的工程液压缸外形安装尺寸表(缸头耳环)

缸径

φ

dΨ=1.33 

dΨ=1.46

dΨ=2

d1

R×b

M2

L8

L5

L6

L7

L1

2-M1

H1

φ1

40

57

20 

22

※25

20或GE20ES

25

M16×1.5

30

30

30

65

225

M14×1.5

15

65

50

68

25 

28

※32

30或GE30ES

35

M22×1.5

35

40

40

65

243

M18×1.5

15

75

63

83

32 

35

45

30或GE30ES

35

M27×1.5

40

40

40

65

258

M18×1.5

15

90

80

102

40 

45

55

40或GE40ES

45

M33×1.5

45

50

50

    75   △65 

300

M22×1.5

18

110

90

114

45 

50

63

40或GE40ES

45

M36×2

45

50

50

    66   ▲76

   305  ▲325

M22×1.5

18

-

100

127

50 

55

70

50或GE50ES

60

M42×2

50

60

65

    72   ▲82

   340  ▲360

M27×2

20

-

110

140

55 

63

80

50或GE50ES

60

M48×2

55

60

65

    77   ▲87

   360  ▲380

M27×2

20

-

125

152

63 

70

90

50或GE50ES

60

M52×2

60

60

65

78

370

M27×2

20

-

140

168

70 

80

100

60或GE60ES

70

M60×1.52

65

70

75

    85   ▲95

   405  ▲425

M27×2

20

-

150

180

75 

85

105

60或GE60ES

70

M64×2

70

75

75

   92   ▲102

   420  ▲440

M33×2

22

-

160

194

80 

90

110

60或GE60ES

70

M68×2

75

70

75

100

435

M33×2

22

-

180

219

90 

100

125

70或GE70ES

80

M76×3

85

89

85

107

480

M42×2

24

-

200

245

100 

110

140

80或GE80ES

90

M85×3

95

100

95

110

510

M42×2

24

-

220

273

110 

125

160

90或GE90ES

100

M95×3

105

110

105

120

560

M42×2

24

-

250

299

125 

170

180

100或GE100ES

110

M105×3

115

122

115

135

614

M42×2

25

-

活塞杆端为外螺纹连接的工程油缸外形安装尺寸表(铰轴、端部、中部法兰)

缸径

L15

L16

L11

L17

φ3

φ4

φ5

H3

L21

n-φ6

L31

L32

S1

80

125

185

275

25

115

145

175

20

81

8-φ13.5

>215 <160+S

>200 <190+S

55

90

140

200

   280  ▲300

25

130

160

190

20

   82  ▲92

8-φ13.5

>225 <165+S

>210 <195+S

60

100

155

230

   310  ▲330

30

145

180

210

20

    88   ▲98

8-φ18

>250  <170+S

>230 <210+S

80

110

170

245

   330  ▲350

30

160

195

225

22

    95   ▲105

8-φ18

>260  <190+S

>240 <225+S

70

125

185

260

340

30

175

210

240

22

98

10-φ18

>255  <200+S

>235 <240+S

55

140

200

290

   370  ▲390

35

190

225

260

24

    108  ▲ 118

10-φ20

>290 <210+S

>265 <250+S

80

150

215

305

   385  ▲405

35

205

245

285

26

    114  ▲ 124

10-φ22

>305 <225+S

>285 <265+S

80

160

230

320

400

35

220

260

300

28

119

10-φ22

>310 <240+S

>290 <280+S

70

180

255

360

440

42

245

285

325

30

130

10-φ24

>345 <255+S

>320 <300+S

90

200

285

405

460

40

275

320

365

32

143

10-φ26

>365 <265+S

>340 <315+S

100

220

320

455

503

53

305

355

405

34

156

10-φ29

>395 <285+S

>365 <340+S

100

250

350

500

547

55

330

390

450

36

171

12-φ32

>430 <315+S

>395 <375+S

105

 

工程液压油缸外形安装连接尺寸图(活塞杆端为外螺纹杆头耳环连接)

活塞杆端为外螺纹杆头耳环连接的工程液压缸外形安装尺寸表(缸头耳环)

缸径

φ

dΨ=1.33 

dΨ=1.46

dΨ=2

d1

R×b

L6

M2

L10

L5

L7

L2

2-M1

H1

φ1

40

57

20 

22

※25

20或GE20ES

25

30

M16×1.5

50

30

65

255

M14×1.5

15

65

50

68

25 

28

※32

30或GE30ES

35

40

M22×1.5

60

40

65

280

M18×1.5

15

75

63

83

32 

35

45

30或GE30ES

35

40

M27×1.5

65

40

65

295

M18×1.5

15

90

80

102

40 

45

55

40或GE40ES

45

50

M33×1.5

80

50

    75   △65 

347

M22×1.5

18

100

90

114

45 

50

63

40或GE40ES

45

50

M36×2

95

50

    66   ▲76

   357  ▲377

M22×1.5

18

-

100

127

50 

55

70

50或GE50ES

60

65

M42×2

110

60

  72   ▲82

   402  ▲422

M27×2

20

-

110

140

55 

63

80

50或GE50ES

60

65

M48×2

115

60

    77   ▲87

   422  ▲442

M27×2

20

-

125

152

63 

70

90

50或GE50ES

60

65

M52×2

140

60

78

452

M27×2

20

-

140

168

70 

80

100

60或GE60ES

70

75

M60×1.52

155

70

    85   ▲95

   498  ▲518

M27×2

20

-

150

180

75 

85

105

60或GE60ES

70

75

M64×2

160

75

   92   ▲102

   513  ▲533

M33×2

22

-

160

194

80 

90

110

60或GE60ES

70

75

M68×2

170

70

100

533

M33×2

22

-

180

219

90 

100

125

70或GE70ES

80

85

M76×3

190

89

107

588

M42×2

24

-

200

245

100 

110

140

80或GE80ES

90

95

M85×3

210

100

110

628

M42×2

24

-

220

273

110 

125

160

90或GE90ES

100

105

M95×3

230

110

120

690

M42×2

24

-

250

299

125 

170

180

100或GE100ES

110

120

M105×3

250

122

135

754

M42×2

25

-

 

活塞杆端为外螺纹杆头耳环连接的工程油缸外形安装尺寸表(铰轴、端部、中部法兰)

缸径

L15

L16

L12

L17

φ3

φ4

φ5

H3

L22

n-φ6

L33

L34

S1

80

125

185

322

25

115

145

175

20

128

8-φ13.5

>260  <205+S

>245  <235+S

55

90

140

200

   322  ▲352

25

130

160

190

20

   134  ▲144

8-φ13.5

>275  <215+S

>260  <245+S

60

100

155

230

   372  ▲392

30

145

180

210

20

   150  ▲160

8-φ18

>310  <230+S

>290  <270+S

80

110

170

245

   392  ▲412

30

160

195

225

22

   157  ▲167

8-φ18

>320  <250+S

>300  <285+S

70

125

185

260

422

30

175

210

240

22

180

10-φ18

>335  <280+S

>315  <320+S

55

140

200

290

   463  ▲483

35

190

225

260

24

   201  ▲211

10-φ20

>385  <305+S

>360  <345+S

80

150

215

305

   478  ▲498

35

205

245

285

26

   207  ▲217

10-φ22

>400  <320+S

>380  <360+S

80

160

230

320

498

35

220

260

300

28

217

10-φ22

>410  <340+S

>390  <380+S

70

180

255

360

548

42

245

285

325

30

238

10-φ24

>455  <365+S

>430  <410+S

90

200

285

405

578

40

275

320

365

32

261

10-φ26

>485  <385+S

>460  <435+S

100

220

320

455

633

53

305

355

405

34

285

10-φ29

>525  <415+S

>495  <470+S

100

250

350

500

687

53

330

390

450

36

311

12-φ32

>570  <455+S

>535   <515+S

105

 

工程液压油缸外形安装连接尺寸图(活塞杆端为内螺纹连接 )

 

活塞杆端为内螺纹连接的工程液压缸外形安装尺寸表(缸头耳环)

缸径

φ

dΨ=1.33 

dΨ=1.46

dΨ=2

d1

R×b

L6

M2

M3

L9

L5

L7

L3

2-M1

H1

φ1

63

83

32

35

45

30或GE30ES

35

40

M27×1.5

M24×1.5

35

40

65

218

M18×1.5

15

90

80

102

40

45

55

40或GE40ES

45

50

M33×1.5

M30×1.5

40

50

   75  △65 

255

M22×1.5

18

110

90

114

45 

50

63

40或GE40ES

45

50

M36×2

M33×1.5

50

50

   66  ▲76

   260  ▲280

M22×1.5

18

-

100

127

50 

55

70

50或GE50ES

60

65

M42×2

M36×2

55

60

   72  ▲82

   290  ▲310

M27×2

20

-

110

140

55 

63

80

50或GE50ES

60

65

M48×2

M42×2

60

60

   77  ▲87

   305  ▲325

M27×2

20

-

125

152

63 

70

90

50或GE50ES

60

65

M52×2

M48×2

65

60

78

310

M27×2

20

-

140

168

70 

80

100

60或GE60ES

70

75

M60×2

M52×2

70

70

   85  ▲95

   340  ▲360

M27×2

20

-

150

180

75 

85

105

60或GE60ES

70

75

M64×2

M60×2

75

75

  92  ▲102

   350  ▲370

M33×2

22

-

160

194

80 

90

110

60或GE60ES

70

75

M68×2

M64×2

80

70

100

360

M33×2

22

-

180

219

90 

100

125

70或GE70ES

80

85

M76×3

M68×2

90

89

107

395

M42×2

24

-

200

245

100 

110

140

80或GE80ES

90

95

M85×3

M76×3

100

100

110

415

M42×2

24

-

220

273

110 

125

160

90或GE90ES

100

105

M95×3

M85×3

110

110

120

455

M42×2

24

-

250

299

125 

170

180

100或GE100ES

110

120

M105×3

M95×3

120

122

135

499

M42×2

25

-

 

活塞杆端为内螺纹连接的工程油缸外形安装尺寸表(铰轴、端部、中部法兰)

缸径

L15

L16

L13

L17

φ3

φ4

φ5

H3

L23

n-φ6

L35

L36

s

80

125

185

230

25

115

145

175

20

36

8-φ13.5

>170 <115+S

>155 <145+S

55

90

140

200

   235  ▲255

25

130

160

190

20

   37  ▲47

8-φ13.5

>180 <120+S

>165 <150+S

60

100

155

230

   260  ▲280

30

145

180

210

20

    38   ▲48

8-φ18

>200 <120+S

>180 <160+S

80

110

170

245

   275  ▲295

30

160

195

225

22

    40   ▲50

8-φ18

>205 <135+S

>185 <170+S

70

125

185

260

280

30

175

210

240

22

38

10-φ18

>195 <140+S

>175 <180+S

55

140

200

290

   305  ▲325

35

190

225

260

24

    43   ▲53

10-φ20

>225 <145+S

>200 <185+S

80

150

215

305

   315  ▲335

35

205

245

285

26

    44   ▲45

10-φ22

>235 <155+S

>215 <195+S

80

160

230

320

325

35

220

260

300

28

44

10-φ22

>235 <165+S

>215 <205+S

70

180

255

360

355

42

245

285

325

30

45

10-φ24

>260 <170+S

>235 <235+S

90

200

285

405

365

40

275

320

365

32

48

10-φ26

>270 <170+S

>245 <220+S

100

220

320

455

398

53

305

355

405

34

50

10-φ29

>290 <180+S

>260 <235+S

100

250

350

500

432

53

330

390

450

36

55

12-φ32

>315 <200+S

>280 <260+S

105

 

工程液压油缸外形安装连接尺寸图(活塞杆端为内螺纹杆头耳环连接)

 

活塞杆端为内螺纹杆头耳环连接的液压缸外形安装尺寸表(缸体耳环)

缸径

φ

dΨ=1.33

dΨ=1.46

dΨ=2

d1

R×b

L6

M2

M3

L9

L5

L7

L4

2-M1

H1

φ1

40

57

- 

22

※25

20或GE20ES

25

30

整体式活塞杆

30

65

218

M14×1.5

15

65

50

68

- 

28

※32

30或GE30ES

35

40

40

65

240

M18×1.5

15

75

63

83

32 

35

45

30或GE30ES

35

40

M27×1.5

M24×1.5

35

40

65

270

M18×1.5

15

90

80

102

40 

45

55

40或GE40ES

45

50

M33×1.5

M30×1.5

40

50

   75  △65

317

M22×1.5

18

110

90

114

45 

50

63

40或GE40ES

45

50

M36×2

M33×1.5

50

50

   66  ▲76

  312 ▲332

M22×1.5

18

-

100

127

50 

55

70

50或GE50ES

60

65

M42×2

M36×2

55

60

  72 ▲82

  357 ▲377

M27×2

20

-

110

140

55 

63

80

50或GE50ES

60

65

M48×2

M42×2

60

60

  77 ▲87

  372 ▲392

M27×2

20

-

125

152

63 

70

90

50或GE50ES

60

65

M52×2

M48×2

65

60

78

377

M27×2

20

-

140

168

70 

80

100

60或GE60ES

70

75

M60×2

M52×2

70

70

   85  ▲95

  418 ▲438

M27×2

20

-

150

180

75 

85

105

60或GE60ES

70

75

M64×2

M60×2

75

75

   92  ▲102

  428 ▲448

M33×2

22

-

160

194

80 

90

110

60或GE60ES

70

75

M68×2

M64×2

80

70

100

438

M33×2

22

-

180

219

90 

100

125

70或GE70ES

80

85

M76×3

M68×2

90

89

107

483

M42×2

24

-

200

245

100 

110

140

80或GE80ES

90

95

M85×3

M76×3

100

100

110

513

M42×2

24

-

220

273

110 

125

160

90或GE90ES

100

105

M95×3

M85×3

110

110

120

565

M42×2

24

-

250

299

125 

170

180

100或GE100ES

110

120

M105×3

M95×3

120

122

135

624

M42×2

25

-

 

活塞杆端为内螺纹杆头耳环连接的油缸外形安装尺寸表(铰轴、端部、中部法兰)

缸径

L15

L16

L14

L17

φ3

φ4

φ5

H3

L24

n-φ6

L37

L38

s

80

125

185

292

25

115

145

175

20

98

8-φ13.5

>230 <175+S

>215 <205+S

55

90

140

200

   287  ▲307

25

130

160

190

20

    89   ▲99

8-φ13.5

>230 <170+S

>215 <200+S

60

100

155

230

   327  ▲347

30

145

180

210

20

   105  ▲115

8-φ18

>265 <185+S

>245 <225+S

80

110

170

245

   342  ▲362

30

160

195

225

22

   107  ▲117

8-φ18

>270 <200+S

>250 <235+S

70

125

185

260

347

30

175

210

240

22

105

10-φ18

>260 <205+S

>240 <245+S

55

140

200

290

   383  ▲403

35

190

225

260

24

   121  ▲131

10-φ20

>305 <225+S

>280 <265+S

80

150

215

305

   393  ▲413

35

205

245

285

26

   122  ▲132

10-φ22

>315 <235+S

>295 <275+S

80

160

230

320

403

35

 220

260

300

28

122

10-φ22

>315 <245+S

>295 <285+S

70

180

255

360

443

42

245

285

325

30

133

10-φ24

>350 <260+S

>325 <305+S

90

200

285

405

463

40

275

320

365

32

146

10-φ26

>370 <220+S

>345 <320+S

100

220

320

455

508

53

305

355

405

34

160

10-φ29

>400 <290+S

>370 <345+S

100

250

350

500

557

53

330

390

450

36

181

12-φ32

>440 <325+S

>405 <385+S

105