|
|
|
|
|
W70型 拉杆油缸 |
W140型拉杆油缸 |
W140型拉杆油缸 |
描述
● W70/140L-1系列轻型拉杆液压缸,与同等压力级液压缸相比,具有结构简单、零件通用化高和安装型式多样等特点。 广泛应用于橡胶、纺织、压铸等轻式机械、机床、汽车、农业机械、石化机械、冶金矿山机械等。
※型号选择
W70L-1 -
2
-
LB
100
B
70
R
400
-
A
W70L-1
–油缸系列:W70L-1,W140L-1
2
–密封材料:1-丁睛橡胶,2-聚氨脂橡胶,3-氟橡胶
LB
–安装型式:SD-基本型,LA-切向脚架式,LB-轴向脚架式,LC-轴向高脚架式,FA、FB-前后
长方法兰式,FC、FD-前后正方法兰式,TA、TC-前后耳轴式,CA-后端单耳环式
100
–缸径:40、50、63、80、100、125、140、150、160、180、200、250
B
–活塞杆径型式:B型、C型
70
–额定压力:70-7MPa,140-14MPa
R
–缓冲型式:B-两端缓冲,R-杆端缓冲,H-底端缓冲,N-无缓冲,注:一般缸径≥80才可设置
有效缓冲
400
–行程长度(mm)
A
–进、出油口位置:A、B、C、D
※轻型拉杆液压油缸外形安装连接尺寸图(基本型)

|
缸径 |
活塞杆径 |
BB |
DC |
E |
EE |
LL |
P |
R |
W |
YP |
|||||
|
B型 |
C型 |
||||||||||||||
|
A |
KK |
MM |
A |
KK |
MM |
||||||||||
|
40 |
30 |
M20×1.5 |
22.4 |
25 |
M16×1.5 |
18 |
11 |
M10 |
65 |
ZG3/8 |
141 |
90 |
45 |
30 |
38 |
|
50 |
35 |
M24×1.5 |
28 |
30 |
M20×1.5 |
22 |
11 |
M10 |
75 |
ZG1/2 |
155 |
98 |
52 |
30 |
42 |
|
63 |
45 |
M30×1.5 |
36 |
35 |
M24×1.5 |
28 |
13 |
M12 |
90 |
ZG1/2 |
163 |
102 |
63 |
35 |
46 |
|
80 |
60 |
M39×1.5 |
45 |
45 |
M30×1.5 |
36 |
16 |
M16 |
110 |
ZG3/4 |
184 |
110 |
80 |
35 |
56 |
|
100 |
75 |
M48×1.5 |
55 |
60 |
M39×1.5 |
45 |
18 |
M18 |
135 |
ZG3/4 |
192 |
116 |
102 |
40 |
58 |
|
125 |
95 |
M64×2 |
70 |
75 |
M48×1.5 |
55 |
21 |
M22 |
165 |
ZG1 |
220 |
130 |
122 |
45 |
67 |
|
140 |
110 |
M72×2 |
80 |
80 |
M56×2 |
63 |
22 |
M24 |
185 |
ZG1 |
230 |
138 |
138 |
50 |
69 |
|
150 |
115 |
M76×2 |
85 |
85 |
M60×2 |
65 |
25 |
M27 |
196 |
ZG1 |
240 |
146 |
148 |
50 |
71 |
|
160 |
120 |
M80×2 |
90 |
95 |
M64×2 |
70 |
25 |
M27 |
210 |
ZG1 |
253 |
156 |
160 |
55 |
74 |
|
180 |
140 |
M95×2 |
100 |
110 |
M72×2 |
80 |
27 |
M30 |
235 |
ZG11/4 |
275 |
172 |
182 |
55 |
75 |
|
200 |
150 |
M100×2 |
110 |
120 |
M80×2 |
90 |
29 |
M33 |
262 |
ZG11/2 |
301 |
184 |
200 |
55 |
85 |
|
224 |
180 |
M120×2 |
125 |
140 |
M95×2 |
100 |
34 |
M39 |
292 |
ZG11/2 |
305 |
184 |
225 |
60 |
89 |
|
250 |
195 |
M130×2 |
140 |
150 |
M100×2 |
110 |
37 |
M42 |
325 |
ZG2 |
346 |
200 |
250 |
65 |
106 |
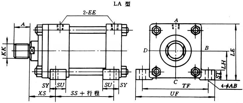
※轻型拉杆液压缸外形安装连接尺寸图(LA型切向脚架式)

| 缸径 | фAB | LE | LH | SS | ST | SU | SY | TF | UF | XS |
| 40 | 11 | 70 | 37.5±0.15 | 98 | 14 | 31 | 13 | 95 | 118 | 57 |
| 50 | 14 | 82.5 | 45±0.15 | 108 | 17 | 34 | 14 | 115 | 145 | 60 |
| 63 | 18 | 95 | 50±0.15 | 106 | 19 | 32 | 18 | 132 | 165 | 71 |
| 80 | 18 | 115 | 60±0.25 | 124 | 25 | 42 | 18 | 155 | 190 | 74 |
| 100 | 22 | 138.5 | 71±0.25 | 122 | 27 | 38 | 22 | 190 | 230 | 85 |
| 125 | 26 | 167.5 | 85±0.25 | 136 | 32 | 41 | 25 | 224 | 272 | 99 |
| 140 | 26 | 187.5 | 95±0.25 | 144 | 35 | 41 | 25 | 250 | 300 | 106 |
| 150 | 30 | 204 | 106±0.25 | 146 | 37 | 38 | 28 | 270 | 320 | 111 |
| 160 | 33 | 217 | 112±0.25 | 150 | 42 | 40 | 31 | 285 | 345 | 122 |
| 180 | 33 | 242.5 | 125±0.25 | 172 | 47 | 36 | 35 | 315 | 375 | 123 |
| 200 | 36 | 271 | 140±0.25 | 186 | 52 | 40 | 39 | 355 | 425 | 131 |
| 224 | 42 | 296 | 150±0.25 | 186 | 52 | 40 | 39 | 395 | 475 | 140 |
| 250 | 45 | 332.5 | 170±0.25 | 206 | 57 | 48 | 47 | 425 | 515 | 158 |
※轻型拉杆油缸外形安装连接尺寸图(LB型轴向脚架式)

| 缸径 | фAB | AE | AH | AL | SA | AD | AT | TE | UA |
| 40 | 11 | 75.5 | 43±0.15 | 32 | 205 | 13 | 8 | 46 | 69 |
| 50 | 14 | 87.5 | 50±0.15 | 35 | 225 | 15 | 8 | 58 | 85 |
| 63 | 18 | 105 | 60±0.15 | 42 | 247 | 18 | 10 | 65 | 98 |
| 80 | 18 | 127 | 72±0.25 | 50 | 284 | 20 | 12 | 87 | 118 |
| 100 | 22 | 152.5 | 85±0.25 | 55 | 302 | 23 | 12 | 109 | 150 |
| 125 | 26 | 187.5 | 105±0.25 | 66 | 352 | 29 | 15 | 130 | 175 |
| 140 | 26 | 207.5 | 115±0.25 | 70 | 370 | 30 | 18 | 145 | 195 |
| 150 | 30 | 221 | 123±0.25 | 75 | 390 | 30 | 18 | 155 | 210 |
| 160 | 33 | 237 | 132±0.25 | 75 | 403 | 35 | 18 | 170 | 225 |
| 180 | 33 | 265.5 | 148±0.25 | 85 | 445 | 40 | 20 | 185 | 243 |
| 200 | 36 | 296 | 165±0.25 | 98 | 497 | 40 | 25 | 206 | 272 |
| 224 | 42 | 331 | 185±0.25 | 115 | 535 | 45 | 30 | 230 | 310 |
| 250 | 45 | 370.5 | 208±0.25 | 130 | 606 | 50 | 35 | 250 | 335 |
※轻型拉杆液压油缸外形安装连接尺寸图(LC型轴向高脚架式)

| 缸径 | фAB | AE | AH | AL | AM | AD | AT | SA | TE | UA |
| 40 | 11 | 75.5 | 43±0.15 | 32 | 43 | 13 | 8 | 205 | 46 | 69 |
| 50 | 14 | 87.5 | 50±0.15 | 35 | 48 | 15 | 8 | 225 | 58 | 85 |
| 63 | 18 | 105 | 60±0.15 | 42 | 57 | 18 | 10 | 247 | 65 | 98 |
| 80 | 18 | 127 | 72±0.25 | 50 | 68 | 20 | 12 | 284 | 87 | 118 |
| 100 | 22 | 152.5 | 85±0.25 | 55 | 75 | 23 | 12 | 302 | 109 | 150 |
| 125 | 26 | 187.5 | 105±0.25 | 66 | 90 | 29 | 15 | 352 | 130 | 175 |
| 140 | 26 | 207.5 | 115±0.25 | 70 | 96 | 30 | 18 | 370 | 145 | 195 |
| 150 | 30 | 221 | 123±0.25 | 75 | 103 | 30 | 18 | 390 | 155 | 210 |
| 160 | 33 | 237 | 132±0.25 | 75 | 106 | 35 | 18 | 403 | 170 | 225 |
| 180 | 33 | 265.5 | 148±0.25 | 85 | 118 | 40 | 20 | 445 | 185 | 243 |
| 200 | 36 | 296 | 165±0.25 | 98 | 135 | 40 | 25 | 497 | 206 | 272 |
| 224 | 42 | 331 | 185±0.25 | 115 | 156 | 45 | 30 | 535 | 230 | 310 |
| 250 | 45 | 370.5 | 208±0.25 | 130 | 176 | 50 | 35 | 606 | 250 | 335 |
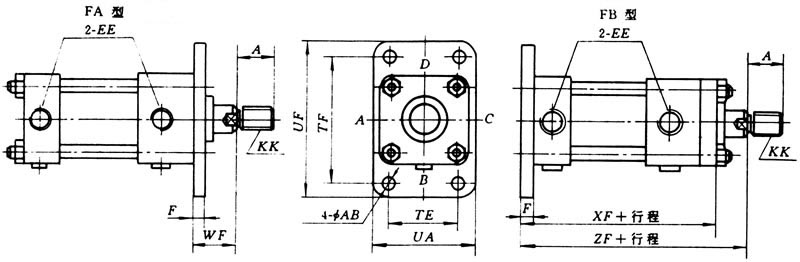
※轻型拉杆液压缸外形安装连接尺寸图(FA、FB型长方形法兰式)

| 缸径 | фAB | F | TE | TF | UA | UF | WF | XF | ZF |
| 40 | 11 | 11 | 46 | 95 | 69 | 118 | 41 | 152 | 182 |
| 50 | 14 | 13 | 58 | 115 | 85 | 145 | 43 | 168 | 198 |
| 63 | 18 | 15 | 65 | 132 | 98 | 165 | 50 | 178 | 213 |
| 80 | 18 | 18 | 87 | 155 | 118 | 190 | 53 | 202 | 237 |
| 100 | 22 | 20 | 109 | 190 | 150 | 230 | 60 | 212 | 252 |
| 125 | 26 | 24 | 130 | 224 | 175 | 272 | 69 | 244 | 289 |
| 140 | 26 | 26 | 145 | 250 | 195 | 300 | 76 | 256 | 306 |
| 150 | 30 | 28 | 155 | 270 | 210 | 320 | 78 | 268 | 318 |
| 160 | 33 | 31 | 170 | 285 | 225 | 345 | 86 | 284 | 339 |
| 180 | 33 | 33 | 185 | 315 | 243 | 375 | 88 | 308 | 363 |
| 200 | 36 | 37 | 206 | 355 | 272 | 425 | 92 | 338 | 393 |
| 224 | 42 | 41 | 230 | 395 | 310 | 475 | 101 | 346 | 406 |
| 250 | 45 | 46 | 250 | 425 | 335 | 515 | 111 | 392 | 457 |
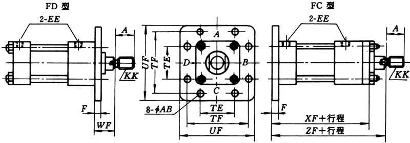
※轻型拉杆油缸外形安装连接尺寸图(FC、FD型方形法兰式)

| 缸径 | фAB | F | TE | TF | UF | WF | XF | ZF |
| 40 | 11 | 11 | 46 | 95 | 118 | 41 | 152 | 182 |
| 50 | 14 | 13 | 58 | 115 | 145 | 43 | 168 | 198 |
| 63 | 18 | 15 | 65 | 132 | 165 | 50 | 178 | 213 |
| 80 | 18 | 18 | 87 | 155 | 190 | 53 | 202 | 237 |
| 100 | 22 | 20 | 109 | 190 | 230 | 60 | 212 | 252 |
| 125 | 26 | 24 | 130 | 224 | 272 | 69 | 244 | 289 |
| 140 | 26 | 26 | 145 | 250 | 300 | 76 | 256 | 306 |
| 150 | 30 | 28 | 155 | 270 | 320 | 78 | 268 | 318 |
| 160 | 33 | 31 | 170 | 285 | 345 | 86 | 284 | 339 |
| 180 | 33 | 33 | 185 | 315 | 375 | 88 | 308 | 363 |
| 200 | 36 | 37 | 206 | 355 | 425 | 92 | 338 | 393 |
| 224 | 42 | 41 | 230 | 395 | 475 | 101 | 346 | 406 |
| 250 | 45 | 46 | 250 | 425 | 515 | 111 | 392 | 457 |
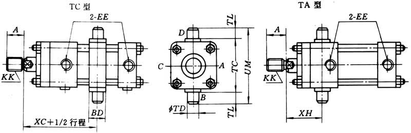
※轻型拉杆液压油缸外形安装连接尺寸图(TA、TC型耳轴式)

| 缸径 | BD | TC | фTD(f9) | TL | UM | XC | XH |
| 40 | 28 | 69-0.5 | 20 | 20 | 109 | 113 | 62 |
| 50 | 33 | 85-0.5 | 25 | 25 | 135 | 121 | 66 |
| 63 | 43 | 98-0.5 | 31.5 | 31.5 | 161 | 132 | 74 |
| 80 | 43 | 118-0.5 | 31.5 | 31.5 | 181 | 146 | 82 |
| 100 | 53 | 145-0.5 | 40 | 40 | 225 | 156 | 89 |
| 125 | 58 | 175-0.5 | 50 | 50 | 275 | 177 | 103 |
| 140 | 78 | 195-0.5 | 63 | 63 | 321 | 188 | 112 |
| 150 | 78 | 206-0.5 | 63 | 63 | 332 | 194 | 112 |
| 160 | 88 | 218-0.5 | 71 | 71 | 360 | 207 | 126 |
| 180 | 98 | 243-0.5 | 80 | 80 | 403 | 216 | - |
| 200 | 108 | 272-0.5 | 90 | 90 | 452 | 232 | - |
| 224 | 117 | 300-0.5 | 100 | 100 | 500 | 241 | - |
| 250 | 117 | 335-0.5 | 100 | 100 | 535 | 271 | - |
※轻型拉杆液压缸外形安装连接尺寸图(CA型后端单耳环式)

| 缸径 | фCD( H8 ) | FW | L | MR | T | XD | ZC |
| 40 | 16 | 25-0.1~-0.4 | 28 | 16 | 10 | 209 | 225 |
| 50 | 20 | 31.5-0.1~-0.4 | 33 | 20 | 12 | 230 | 250 |
| 63 | 31.5 | 40-0.1~-0.4 | 48 | 31.5 | 14 | 261 | 292.5 |
| 80 | 31.5 | 40-0.1~-0.4 | 55 | 31.5 | 17 | 291 | 322.5 |
| 100 | 40 | 50-0.1~-0.4 | 65 | 40 | 19 | 316 | 356 |
| 125 | 50 | 63-0.1~-0.4 | 77 | 50 | 23 | 365 | 415 |
| 140 | 63 | 80-0.1~-0.4 | 95 | 63 | 25 | 400 | 463 |
| 150 | 63 | 80-0.1~-0.4 | 95 | 63 | 27 | 412 | 475 |
| 160 | 71 | 100-0.1~-0.4 | 107 | 71 | 30 | 445 | 516 |
| 180 | 80 | 100-0.1~-0.4 | 118 | 80 | 32 | 480 | 560 |
| 200 | 90 | 125-0.1~-0.4 | 134 | 90 | 36 | 526 | 616 |
| 224 | 100 | 125-0.1~-0.4 | 145 | 100 | 40 | 550 | 650 |
| 250 | 100 | 125-0.1~-0.4 | 140 | 100 | 45 | 596 | 696 |