|
|
|
|
|
船用油缸 |
|
|
描述
● C系列船用油缸有CD型双作用单活塞杆液压缸和CZ型单作用柱塞液压缸两种,其结构简单、青铜衬套支承导向、工作可靠,适用于船舶机械、工程机械及冶金、矿山设备等液压系统中。
※型号选择
C
D
E -
D/d
×
200
- F
L
C
–C-船用油缸
D
–作用型式:D-双作用活塞式,Z-单作用柱塞式
E
–压力等级:E-16MPa,G-25MPa
D/d
–缸径/杆径
200
–行程(mm)
F
–安装型式:Ec-前后耳环连接(或带衬套),F-前端法兰连接,N-内球头连接
L
–进出油口型式:L-螺纹连接),F-法兰连接
※C系列船用液压缸结构图

※船用液压缸性能参数(CDE双作用活塞式)
|
型号 |
缸径D ( mm ) |
杆径d ( mm ) |
压力 ( MPa ) |
推力 ( mm ) |
拉力 ( mm ) |
最大行程 ( mm ) |
最大流量 ( L/min ) |
|
CDE40 |
40 |
22 |
16 |
19698 |
13720 |
400 |
9 |
|
CDE50 |
50 |
28 |
30772 |
21070 |
500 |
14 |
|
|
CDE63 |
63 |
35 |
48804 |
33810 |
630 |
22 |
|
|
CDE80 |
80 |
45 |
78792 |
53900 |
800 |
35 |
|
|
CDE100 |
100 |
55 |
123088 |
85848 |
1000 |
55 |
|
|
CDE125 |
125 |
70 |
192374 |
132104 |
1250 |
86 |
|
|
CDE160 |
160 |
90 |
315266 |
215600 |
1600 |
140 |
|
|
CDE200 |
200 |
110 |
492548 |
343686 |
2000 |
220 |
|
|
CDE220 |
220 |
125 |
595742 |
493368 |
2200 |
260 |
|
|
CDE250 |
250 |
140 |
769594 |
528318 |
2500 |
340 |
|
|
CDE280 |
280 |
160 |
965006 |
649838 |
2800 |
420 |
|
|
CDE320 |
320 |
200 |
1261260 |
862400 |
3200 |
546 |
|
|
CDE360 |
360 |
200 |
1595146 |
1102784 |
3600 |
690 |
|
|
CDE400 |
400 |
220 |
1969048 |
1373568 |
4000 |
850 |
※船用油缸性能参数(CDG双作用活塞式)
|
型号 |
缸径D ( mm ) |
杆径d ( mm ) |
压力 ( MPa ) |
推力 ( mm ) |
拉力 ( mm ) |
最大行程 ( mm ) |
最大流量 ( L/min ) |
|
CDE40 |
40 |
22 |
16 |
19698 |
13720 |
400 |
9 |
|
CDE50 |
50 |
28 |
30772 |
21070 |
500 |
14 |
|
|
CDE63 |
63 |
35 |
48804 |
33810 |
630 |
22 |
|
|
CDE80 |
80 |
45 |
78792 |
53900 |
800 |
35 |
|
|
CDE100 |
100 |
55 |
123088 |
85848 |
1000 |
55 |
|
|
CDE125 |
125 |
70 |
192374 |
132104 |
1250 |
86 |
|
|
CDE160 |
160 |
90 |
315266 |
215600 |
1600 |
140 |
|
|
CDE200 |
200 |
110 |
492548 |
343686 |
2000 |
220 |
|
|
CDE220 |
220 |
125 |
595742 |
493368 |
2200 |
260 |
|
|
CDE250 |
250 |
140 |
769594 |
528318 |
2500 |
340 |
|
|
CDE280 |
280 |
160 |
965006 |
649838 |
2800 |
420 |
|
|
CDE320 |
320 |
200 |
1261260 |
862400 |
3200 |
546 |
|
|
CDE360 |
360 |
200 |
1595146 |
1102784 |
3600 |
690 |
|
|
CDE400 |
400 |
220 |
1969048 |
1373568 |
4000 |
850 |
※船用油缸性能参数(CDG双作用活塞式)
|
型号 |
缸径D ( mm ) |
杆径d ( mm ) |
压力 ( MPa ) |
推力 ( mm ) |
拉力 ( mm ) |
最大行程 ( mm ) |
最大流量 ( L/min ) |
|
CDG100 |
100 |
70 |
25 |
192276 |
98098 |
1000 |
55 |
|
CDG125 |
125 |
90 |
300468 |
148568 |
1250 |
86 |
|
|
CDG160 |
160 |
110 |
492450 |
259602 |
1600 |
140 |
|
|
CDG200 |
200 |
140 |
769300 |
392294 |
2000 |
220 |
|
|
CDG220 |
220 |
160 |
930853 |
438501 |
2200 |
260 |
|
|
CDG250 |
250 |
180 |
1201970 |
578886 |
2500 |
340 |
|
|
CDG280 |
280 |
200 |
1507828 |
738528 |
2800 |
420 |
|
|
CDG320 |
320 |
200 |
1969408 |
1038555 |
3200 |
546 |
※船用液压缸性能参数(CZE/CZG单作用柱塞式)
|
型号 |
柱塞直径 ( mm ) |
压力 ( MPa ) |
推力 ( mm ) |
最大行程 ( mm ) |
最大流量 (L/min ) |
型号 |
柱塞直径 ( mm ) |
压力 ( MPa ) |
推力 ( mm ) |
最大行程 ( mm ) |
最大流量 (L/min ) |
|
|
CZE100 |
100 |
16 |
123214 |
1250 |
55 |
CZG100 |
100 |
25 |
192276 |
1250 |
55 |
|
|
CZE125 |
125 |
192374 |
1600 |
86 |
CZG125 |
125 |
300468 |
1600 |
86 |
|||
|
CZE160 |
160 |
315266 |
2000 |
140 |
CZG160 |
160 |
492450 |
2000 |
140 |
|||
|
CZE200 |
200 |
492548 |
2500 |
220 |
CZG200 |
200 |
769300 |
2500 |
220 |
|||
|
CZE220 |
220 |
395742 |
2750 |
265 |
CZG250 |
250 |
1201970 |
3200 |
345 |
|||
|
CZE250 |
250 |
769594 |
3200 |
345 |
CZG320 |
320 |
1969800 |
4000 |
560 |
|||
|
CZE280 |
280 |
965006 |
3500 |
430 |
||||||||
|
CZE320 |
320 |
1261260 |
4000 |
560 |
||||||||
|
CZE360 |
360 |
1595224 |
4500 |
710 |
||||||||
|
CZE400 |
400 |
1969408 |
5000 |
880 |
※CDE/CDG系列双作用活塞式船用液压缸安装连接尺寸(Ec型耳环连接式)

|
型号 |
CDE40 |
CDE50 |
CDE63 |
CDE80 |
CDE100 |
CDE125 |
CDE160 |
CDE200 |
CDE220 |
CDE250 |
CDE280 |
CDE320 |
CDE360 |
CDE400 |
|
缸径D |
40 |
50 |
63 |
80 |
100 |
125 |
160 |
200 |
220 |
250 |
280 |
320 |
360 |
400 |
|
杆径d |
22 |
28 |
35 |
45 |
55 |
70 |
90 |
110 |
125 |
140 |
160 |
180 |
200 |
220 |
|
d1 |
20 |
30 |
30 |
40 |
50 |
50 |
60 |
80 |
90 |
100 |
110 |
125 |
140 |
150 |
|
Φ |
50 |
63 |
76 |
95 |
121 |
1520 |
194 |
245 |
273 |
299 |
351 |
377 |
435 |
470 |
|
Φ1 |
85 |
95 |
115 |
135 |
170 |
205 |
245 |
290 |
330 |
370 |
430 |
470 |
560 |
575 |
|
Φ2 |
135 |
155 |
185 |
205 |
260 |
310 |
360 |
435 |
- |
- |
- |
- |
- |
- |
|
Φ3 |
110 |
125 |
150 |
170 |
215 |
260 |
300 |
360 |
- |
- |
- |
- |
- |
- |
|
Φ4 |
40 |
50 |
63 |
80 |
100 |
125 |
160 |
200 |
- |
- |
- |
- |
- |
- |
|
Φ5 |
11 |
13 |
17 |
17 |
22 |
26 |
29 |
38 |
- |
- |
- |
- |
- |
- |
|
n |
8 |
8 |
8 |
8 |
8 |
12 |
12 |
12 |
- |
- |
- |
- |
- |
- |
|
L |
255 |
295 |
345 |
390 |
480 |
530 |
640 |
765 |
825 |
890 |
985 |
1085 |
1225 |
1340 |
|
L1 |
70 |
87 |
94 |
119 |
155 |
165 |
200 |
233 |
248 |
263 |
273 |
301 |
333 |
346 |
|
L2 |
25 |
30 |
35 |
37 |
38 |
43 |
52 |
58 |
61 |
70 |
79 |
85 |
90 |
95 |
|
L3 |
33 |
43 |
43 |
53 |
70 |
70 |
80 |
100 |
140 |
172 |
185 |
205 |
230 |
250 |
|
L4 |
49 |
64 |
66 |
78 |
95 |
100 |
115 |
143 |
159 |
172 |
189 |
205 |
235 |
250 |
|
L5 |
45 |
50 |
60 |
65 |
68 |
86 |
95 |
110 |
115 |
124 |
135 |
145 |
160 |
190 |
|
L6 |
225 |
254 |
305 |
337 |
422 |
471 |
575 |
680 |
- |
- |
- |
- |
- |
- |
|
L7 |
19 |
20 |
25 |
25 |
37 |
41 |
50 |
58 |
- |
- |
- |
- |
- |
- |
|
L8 |
69 |
85 |
92 |
117 |
152 |
163 |
197 |
232 |
- |
- |
- |
- |
- |
- |
|
H |
14 |
17 |
20 |
23 |
28 |
32 |
40 |
46 |
- |
- |
- |
- |
- |
- |
|
H1 |
25 |
25 |
25 |
25 |
65 |
65 |
65 |
65 |
65 |
65 |
65 |
65 |
65 |
65 |
|
b |
25 |
35 |
35 |
45 |
60 |
60 |
70 |
90 |
100 |
110 |
120 |
135 |
165 |
200 |
|
R |
25 |
35 |
35 |
45 |
60 |
60 |
70 |
90 |
100 |
110 |
120 |
135 |
165 |
200 |
|
d2 |
8 |
10 |
15 |
15 |
20 |
20 |
25 |
32 |
40 |
40 |
50 |
50 |
65 |
65 |
|
L9 |
- |
- |
- |
- |
- |
- |
- |
- |
- |
73 |
73 |
73 |
103 |
103 |
|
M |
M18*1.5 |
M22*1.5 |
M27*2 |
M33*2 |
M42*2 |
M52*2 |
M68*2 |
M85*2 |
M90*3 |
M100*3 |
M115*3 |
M130*3 |
M145*3 |
M160*3 |
|
M1 |
M18*1.5 |
M22*1.5 |
M27*2 |
M27*2 |
M33*2 |
M33*2 |
M42*2 |
M48*2 |
M48*2 |
- |
- |
- |
- |
- |
|
M2 |
- |
- |
- |
- |
- |
- |
- |
- |
- |
M16 |
M16 |
M16 |
M16 |
M16 |
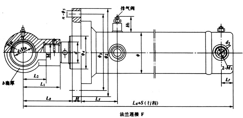
※CDE/CDG系列双作用活塞式船用液压缸安装连接尺寸(F型前端法兰连接式)

|
型号 |
CDE100 |
CDE125 |
CDE160 |
CDE200 |
CDE250 |
|
缸径D |
100 |
125 |
160 |
200 |
250 |
|
杆径d |
70 |
90 |
110 |
140 |
180 |
|
d1 |
50 |
60 |
80 |
100 |
125 |
|
Φ |
133 |
159 |
219 |
250 |
330 |
|
Φ1 |
175 |
210 |
260 |
320 |
375 |
|
Φ2 |
280 |
340 |
390 |
500 |
- |
|
Φ3 |
225 |
270 |
320 |
410 |
- |
|
Φ4 |
100 |
125 |
160 |
200 |
- |
|
Φ5 |
26 |
32 |
32 |
44 |
- |
|
n |
12 |
12 |
12 |
12 |
- |
|
L |
555 |
640 |
760 |
905 |
1065 |
|
L1 |
135 |
165 |
200 |
230 |
265 |
|
L2 |
70 |
80 |
100 |
120 |
145 |
|
L3 |
70 |
80 |
100 |
120 |
145 |
|
L4 |
95 |
110 |
135 |
163 |
195 |
|
L5 |
125 |
150 |
180 |
225 |
280 |
|
L6 |
496 |
571 |
675 |
800 |
- |
|
L7 |
26 |
41 |
50 |
58 |
- |
|
L8 |
168 |
194 |
236 |
263 |
- |
|
H |
45 |
55 |
65 |
80 |
- |
|
H1 |
46 |
46 |
46 |
46 |
46 |
|
b |
60 |
70 |
90 |
110 |
135 |
|
R |
60 |
70 |
90 |
110 |
135 |
|
d2 |
- |
- |
- |
40 |
40 |
|
L9 |
- |
- |
- |
73 |
73 |
|
M |
M52*2 |
M68*2 |
M85*3 |
M100*3 |
M130*3 |
|
M1 |
M33*2 |
M33*2 |
M42*2 |
M48*2 |
- |
|
M2 |
- |
- |
- |
- |
M16 |
※CZE/CZG系列单作用柱塞式船用液压缸安装连接尺寸(Ec型耳环连接式)

|
型号 |
缸径D |
杆径d1 |
Φ6 |
Φ7 |
L1 |
L2,L3 |
L10 |
L11 |
L12 |
L13 |
b |
R |
L9 |
d2 |
H1 |
M |
M2 |
|
CZE100 |
100 |
50 |
146 |
210 |
125 |
70 |
3520 |
3128 |
180 |
102.5 |
60 |
40 |
20 |
46 |
M42*2 |
M10 |
|
|
CZE125 |
125 |
50 |
180 |
260 |
135 |
70 |
4315 |
3898 |
185 |
102.5 |
60 |
40 |
20 |
46 |
M52*2 |
M10 |
|
|
CZE160 |
160 |
60 |
219 |
310 |
165 |
80 |
4490 |
3991 |
215 |
122.5 |
70 |
56 |
25 |
46 |
M68*2 |
M12 |
|
|
CZE200 |
200 |
80 |
280 |
390 |
200 |
100 |
5520 |
4956 |
240 |
142.5 |
90 |
56 |
32 |
46 |
M85*2 |
M12 |
|
|
CZE220 |
220 |
90 |
299 |
410 |
225 |
110 |
6770 |
- |
- |
167.5 |
100 |
73 |
40 |
46 |
M90*2 |
M16 |
|
|
CZE250 |
250 |
100 |
330 |
440 |
230 |
120 |
6868 |
6201 |
295 |
177.5 |
110 |
73 |
40 |
46 |
M100*2 |
M16 |
|
|
CZE280 |
280 |
110 |
370 |
500 |
250 |
135 |
8201 |
- |
- |
187.5 |
125 |
73 |
50 |
46 |
M110*2 |
M16 |
|
|
CZE320 |
320 |
125 |
420 |
540 |
265 |
145 |
8321 |
7577 |
330 |
202.5 |
135 |
73 |
50 |
46 |
M130*2 |
M16 |
|
|
CZE360 |
360 |
140 |
465 |
625 |
370 |
210 |
9882 |
- |
- |
300 |
160 |
103 |
65 |
46 |
M140*2 |
M22 |
|
|
CZE400 |
400 |
150 |
530 |
690 |
400 |
210 |
10187 |
- |
- |
320 |
200 |
103 |
20 |
46 |
M160*2 |
M22 |
|
|
CZG100 |
100 |
50 |
152 |
240 |
135 |
70 |
2530 |
2128 |
180 |
102.5 |
60 |
40 |
20 |
46 |
M52*2 |
M10 |
|
|
CZG125 |
125 |
60 |
200 |
310 |
165 |
80 |
3070 |
2618 |
195 |
112.5 |
70 |
40 |
20 |
46 |
M68*2 |
M10 |
|
|
CZG160 |
160 |
80 |
250 |
370 |
200 |
100 |
3860 |
3310 |
240 |
142.5 |
90 |
56 |
25 |
46 |
M85*3 |
M12 |
|
|
CZG200 |
200 |
100 |
305 |
430 |
230 |
120 |
4685 |
4070 |
270 |
162.5 |
110 |
56 |
32 |
46 |
M100*3 |
M12 |
|
|
CZG250 |
250 |
125 |
350 |
500 |
265 |
145 |
5815 |
5090 |
335 |
202.5 |
135 |
73 |
40 |
46 |
M130*3 |
M16 |
|
|
CZG320 |
320 |
160 |
450 |
630 |
330 |
200,180 |
7075 |
6235 |
380 |
237.5 |
170 |
73 |
50 |
46 |
M160*3 |
M16 |
|
※CZE系列单作用柱塞式船用液压缸安装连接尺寸(N型内球头连接式)

|
型号 |
缸径D |
D1 |
D2 |
D3 |
L14 |
L15 |
L16 |
L17 |
L18 |
L19 |
d3 |
d4 |
H2 |
H3 |
h |
M2 |
|
CZE100 |
100 |
75 |
160 |
125 |
150 |
214 |
65 |
3510 |
52 |
28 |
32 |
18 |
35 |
65 |
16 |
M10 |
|
CZE125 |
160 |
120 |
250 |
205 |
200 |
234 |
105 |
4500 |
80 |
45 |
50 |
22 |
55 |
108 |
18 |
M12 |
|
CZE160 |
250 |
210 |
350 |
300 |
250 |
249 |
145 |
5795 |
120 |
70 |
80 |
26 |
75 |
158 |
24 |
M16 |