欢迎进入无锡双尧液压油缸有限公司官方网站!

收藏本站| 网站操作指南 登录| 注册

高性能伺服推杆 高精密液压油缸

中国企业-行业领先

全国服务咨询热线

电液推杆

您的位置:首页>产品中心>电液推杆>整体外置式电液推杆

整体外置式电液推杆

整体外置式电液推杆(不带外行程限位装置)

整体外置式电液推杆(带外行程限位装置)

 

型号示例:

  • 名称:整体外置式电液推杆
  • 品牌:SanYo
  • 型号:DYTZW500-400/45   
  • 电机:380V,IP55

DTYZW型整体外置式电液推杆技术参数(选型表)

型号

额定输出力(Kgf)

额定速度(mm/s)

(特殊速度可定制)

电机型号(kw)

行程制造范围

速度制造范围

推力

拉力

推速

拉速

(mm)

(mm)

DYTZW

100

100

75

70/110/185/259

90/145/245/343

0.55/0.55/0.55/0.75

5600

5~250

300

300

200

45/70/115/160

65/100/145/200

0.55/0.55/0.75/1.1

5~600

5~250

450

450

300

45/70/115/160

65/100/145/200

0.55/0.75/0.75/1.1

5~600

5~250

750

750

500

30/45/70/100

43/65/100/165

0.55/0.75/1.1/1.1

5500

5~170

1000

1000

700

30/45/70/100

43/65/100/145

0.75/1.1/1.5/2.2

5500

5170

1750

1750

1300

30/45/70/100

43/65/100/145

0.75/1.5/2.2/3.0

5500

5~170

2500

2500

1900

24/36/60/97

36/53/90/144

1.1/1.5/2.2/3.0

5000

5~150

3000

3000

2200

18/27/45/70

27/40/68/108

1.1/1.5/2.2/3.0

5500

5~110

当推力≥3000kg 或 行程≥600mm时,请选用其它形式的电液推杆,如:整体直式、平行式、平行悬挂式等

注:1.上列表中的电机电压等级为380V,防护等级为IP55,绝缘等级为F级(根据用户要求可配220V或415V,防护

       等级为IP56、、IP65,或耐高温(120℃)等特殊电机。

    2.表中的电机型号及功率,指该推杆在额定输出力、额定速度时为最大值的功率,电机功率与推拉力成正比。

    3.表中额定速度为常规速度,若推拉速有特殊要求订货时需说明,若超出表中行程制造范围必须在订货时说

      明。

    4.若无特殊说明电液推杆使用地点的海拔高度不超过1000m,月平均最高相对湿度不超过90%电液推杆使用

      的工作环境温度为:-5+50℃,工作介质随环境温度不同,选用合适的液压油(-10+20℃时采用32#抗磨

     液压油(L—HM32)+0+50时采用46#抗磨液压油(L-HM46)),液压油加注前需过滤,过滤精度

     100μm以上

    5.整体外置式电液推杆(DYTZW型)制造行程在10-600mm范围内(由于油箱容积小,所以制造行程被限

       制),若超出规定行程可选用整体直式型(DYTZ型),技术参数基本相同。

    6.本公司可定制各类特种电液推杆,推力最大可达80T,行程最长达8米,环境温度最高可达120℃,可配制

      防爆、 制动、变频、耐高温、特殊电压、高防护等级等各类特殊型电机,并可加装手轮装置,实现手动驱

      动。

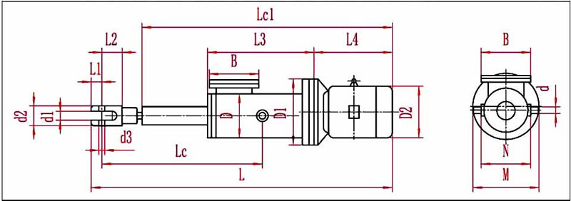
无锡双尧液压油缸有限公司-整体外置式电液推杆型号示例:DYTZW500-500/45
注意:订货时若需随机订购外行程装置或手轮等附件需另行注明!

型号

外形尺寸(mm)

注: 表中均为推杆缩回状态尺寸,S为行程

安装尺寸(mm

注:电机相关尺寸根据电动机型号及实物定

Lc

Lc1

L

L1

L2

L3

L4

d

d1

d2

d3

D

D1

D2

M

N

B

DYTZW

100-□/□

323+S

676+S

776+S

17

27

322

246

Φ20

14

Φ30

Φ10

Φ146

Φ200

Φ175

220

160

150

300-□/□

341+S

686+S

801+S

24

30

322

246

Φ20

18

Φ40

Φ12

Φ146

Φ200

Φ175

220

160

150

450-□/□

341+S

686+S

801+S

24

30

322

246

Φ20

18

Φ40

Φ12

Φ146

Φ200

Φ175

220

160

150

750-□/□

385+S

714+S

869+S

30

45

325

246

Φ30

25

Φ60

Φ20

Φ146

Φ200

Φ175

225

165

150

1000-□/□

385+S

729+S

884+S

30

45

325

261

Φ30

25

Φ60

Φ20

Φ146

Φ200

Φ175

225

165

150

1750-□/□

385+S

745+S

900+S

30

45

331

286

Φ30

25

Φ60

Φ20

Φ146

Φ200

Φ195

225

165

150

2500-□/□

385+S

775+S

930+S

30

45

331

316

Φ30

25

Φ60

Φ20

Φ146

Φ200

Φ195

242

182

150

3000-□/□

395+S

775+S

950+S

40

50

331

316

Φ30

30

Φ70

Φ30

Φ159

Φ250

Φ215

242

182

150

客服