工作原理
● 电液推杆是一种机、电、液一体化的新型柔性传动机构,它以执行机构(油缸)
、控制机构(液压控制阀组)和动力源(油泵电机等)组成。根据现场安装空间
及用户使用情况电液推杆可有多种结构形式(具体见电液推杆外形尺寸图,也可
根据用户要求定 制样式)。电动机通过正反转驱动双向液压泵正反输出压力油,
经液压控制阀送至油缸,实现活塞杆的往复运动。
型 号

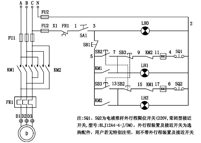
电气线路图(仅供参考)

选型及选型计算
● 首先确定工作对象的运动状态,进行受力分析,计算所需用的推力、行程和速
度,然后以规格表选出合适的推杆, 一般分为十五级。分别是:100kg/300kg/
500kg/750kg/1000kg/1750kg/2500kg/3000kg/4000kg/5000kg/6000kg/
8000kgf/10000kg/15000kg/20000kg,如推力小于100kgf的推杆按100kg
选型,推力大于20000kg的电液推杆,规格中未列出外形安装尺寸,订购时需
与我方技术人员联系后确定。
● 速度的选项是给出常用规格,有很多规格的速度参数,样本并未列出,用户可根
据需要与我方技术人员联系后,任意确定一个具体的数值,比如15mm/s。同
时,在选取速度值时,应尽量取小的数值(当≤10mm/s时应特别提出),这样
可减小电液推杆的重量和外形尺寸,减小电机功率,同时降低系统的发热量。
● 电液推杆的行程按样本中的值选取,所选取的数值,应自留前备量和后备量,以
缓冲油缸到位后的冲击。一般情况下前备量和后备量之和为30-50mm足够。 行
程选定后,如果支承长度L(杆头联接叉轴孔与安装支轴孔之间的距离) 大于40倍
的活塞杆直径d(直径d的取值见下表的5.2条中说明),则必须进行稳定性的校
验。这项工作在选型时由我方技术人员完成,此种情况的电液推杆外形安装尺寸
与样本中的标准尺寸可能有些不同,此时用户可要求我方技术部出具外形安装尺
寸图及电液推杆相关技术参数。 注:行程的取值可按需要而不按样本取值,如取
值为453,都是可行的。
● 电液推杆的安装形式常用为水平安装形,如是别的安装形式,应在选型时告知我
方销售人员,或在选型的代号中表示出来,以便于更改油箱放气口及油泵吸油口
的位置。
● 外形尺寸
在推力足够的情况下,外形尺寸应尽量选取的较小。这样可减小推杆整体重量,
降低成本,便于安装。当然在有些特殊的场合使用为了适应机构的连接尺寸或要
求保险系数较大的情况下,用户也可选用较大的外形尺寸,同时可以更好地控制
液压油的温升,使油温不至过高。
● 杆端连接件尺寸
杆端连接件即叉头部分的尺寸,主要取决于油缸的尺寸,油缸的尺寸又取决于推
力,具体可根据样本中各种规格型号电液推杆的叉头尺寸直接选用,用户也可根
据需要自行确定,叉头与产品性能无关,而只与推杆外形及成本有关 。