|
|
|
|
|
工程液压缸(前后耳环) |
工程液压缸(中间耳轴) |
工程液压缸(前后耳环) |
※描述
● HSG型工程液压油缸(液压缸)为双作用单活塞杆式液压缸。具有安装连接方式多样以及可带缓冲装置等特点。适用于工程机械、起重运输机械、船舶机械、冶金矿山机械以及其它液压系统。
※型号选择
HSG -
L
- 01 -
D/d
×
100
-E
2
5
0
1
HSG
–双作用单杆活塞式液压缸
L
–缸盖连接方式:L=螺纹式(缸径≤Φ80);K=卡键式(缸径≥Φ80)
01
–设计序号
D/d
–缸径mm/活塞杆径mm
100
–液压缸行程
E
–压力等级16MPa
2
–缸头、缸筒连接方式:1=缸头耳环带衬套;2=缸头耳环带关节轴承;3=铰轴(用于缸径≥Φ80卡键式连
接);4=端部法兰(用于缸径≥Φ80卡键式连接);5=中部法兰(用于缸径≥Φ80卡键式连接)
5
–活塞杆端连接方式代号:1=杆端外螺纹;2=杆端内螺纹(缸径≥63);3=杆端外螺纹杆头耳环带衬套;4=
杆端内螺纹杆头耳环带衬套(缸径≥63);5=杆端外螺纹杆头耳环带关节轴承;6=杆端内螺纹杆头耳环带
关节轴承(缸径≥63);7=整体式活塞杆耳环带衬套(缸径=40、50);8=整体式活塞杆耳环带关节轴承
(缸径=40、50)
0
–缓冲部位代号:0=不带缓冲;1=两端带缓冲;2=缸头端带缓冲;3=杆头端带缓冲
1
–油口连接方式代号:1=内螺纹
※工程液压缸基本参数
|
型号 |
公称压力MPa |
缸径D(mm) |
Ψ=1.33 |
Ψ=1.46 |
Ψ=2 |
最小行程S(mm) |
Ψ=1.46 |
||||
|
杆径d(mm) |
最大行程S(mm) |
杆径d(mm) |
最大行程S(mm) |
杆径d(mm) |
最大行程S(mm) |
推力(N) |
拉力(N) |
||||
|
HSGL01-40/dE |
16 |
40 |
20 |
1000 |
22 |
1000 |
25 |
1000 |
- |
20090 |
14020 |
|
HSGL01-50/dE |
50 |
25 |
1000 |
28 |
1000 |
32 |
1000 |
- |
31400 |
21550 |
|
|
HSGL01-63/dE |
63 |
32 |
2000 |
35 |
2000 |
45 |
2000 |
- |
49870 |
34480 |
|
|
HSGL01-80/dE |
80 |
40 |
2000 |
45 |
3000 |
55 |
3000 |
- |
49870 |
54980 |
|
|
HSGL01-80/dE |
80 |
40 |
3000 |
45 |
3000 |
- |
- |
30 |
80420 |
54980 |
|
|
HSGL01-90/dE |
90 |
45 |
3000 |
50 |
3000 |
63 |
3000 |
40 |
101790 |
70360 |
|
|
HSGL01-100/dE |
100 |
50 |
3000 |
55 |
3000 |
70 |
3000 |
40 |
125660 |
87650 |
|
|
HSGL01-110/dE |
110 |
55 |
3000 |
63 |
3000 |
80 |
3000 |
45 |
152050 |
102180 |
|
|
HSGL01-125/dE |
125 |
63 |
3000 |
70 |
3000 |
90 |
3000 |
35 |
196350 |
134770 |
|
|
HSGL01-140/dE |
140 |
70 |
3000 |
80 |
3000 |
100 |
3000 |
50 |
246300 |
165880 |
|
|
HSGL01-150/dE |
150 |
75 |
3000 |
85 |
3000 |
105 |
3000 |
55 |
282600 |
191850 |
|
|
HSGL01-160/dE |
160 |
80 |
3000 |
90 |
3000 |
110 |
3000 |
45 |
321700 |
219910 |
|
|
HSGL01-180/dE |
180 |
90 |
3000 |
100 |
3000 |
125 |
3000 |
45 |
407150 |
281500 |
|
|
HSGL01-200/dE |
200 |
100 |
3000 |
110 |
3000 |
140 |
3000 |
50 |
502660 |
350600 |
|
|
HSGL01-220/dE |
220 |
110 |
3000 |
125 |
3000 |
160 |
3000 |
60 |
608200 |
411860 |
|
|
HSGL01-250/dE |
250 |
125 |
3000 |
140 |
3000 |
180 |
3000 |
60 |
785600 |
539100 |
|
注:1.速比Ψ为活塞腔有效面积与活塞杆腔有效面积之比。
2.最大行程原则上是:Ψ=1.33时,S=8D;Ψ=1.45时,S=10D;Ψ=2时,S=12D;(D为缸径)。
3.最小行程不包括缸头、缸筒连接方式为铰轴及中部法兰型
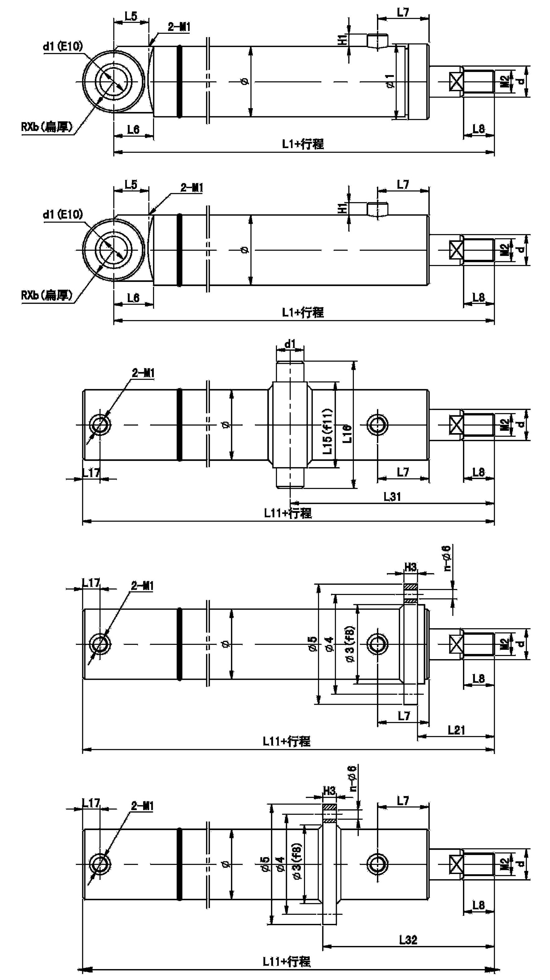
※工程液压缸外形安装连接尺寸图(活塞杆端为外螺纹连接)

※活塞杆端为外螺纹连接的工程液压缸外形安装尺寸表(缸头耳环)
|
缸径 |
φ |
dΨ=1.33 |
dΨ=1.46 |
dΨ=2 |
d1 |
R×b |
M2 |
L8 |
L5 |
L6 |
L7 |
L1 |
2-M1 |
H1 |
φ1 |
|
40 |
57 |
20 |
22 |
※25 |
20或GE20ES |
25 |
M16×1.5 |
30 |
30 |
30 |
65 |
225 |
M14×1.5 |
15 |
65 |
|
50 |
68 |
25 |
28 |
※32 |
30或GE30ES |
35 |
M22×1.5 |
35 |
40 |
40 |
65 |
243 |
M18×1.5 |
15 |
75 |
|
63 |
83 |
32 |
35 |
45 |
30或GE30ES |
35 |
M27×1.5 |
40 |
40 |
40 |
65 |
258 |
M18×1.5 |
15 |
90 |
|
80 |
102 |
40 |
45 |
55 |
40或GE40ES |
45 |
M33×1.5 |
45 |
50 |
50 |
75 △65 |
300 |
M22×1.5 |
18 |
110 |
|
90 |
114 |
45 |
50 |
63 |
40或GE40ES |
45 |
M36×2 |
45 |
50 |
50 |
66 ▲76 |
305 ▲325 |
M22×1.5 |
18 |
- |
|
100 |
127 |
50 |
55 |
70 |
50或GE50ES |
60 |
M42×2 |
50 |
60 |
65 |
72 ▲82 |
340 ▲360 |
M27×2 |
20 |
- |
|
110 |
140 |
55 |
63 |
80 |
50或GE50ES |
60 |
M48×2 |
55 |
60 |
65 |
77 ▲87 |
360 ▲380 |
M27×2 |
20 |
- |
|
125 |
152 |
63 |
70 |
90 |
50或GE50ES |
60 |
M52×2 |
60 |
60 |
65 |
78 |
370 |
M27×2 |
20 |
- |
|
140 |
168 |
70 |
80 |
100 |
60或GE60ES |
70 |
M60×1.52 |
65 |
70 |
75 |
85 ▲95 |
405 ▲425 |
M27×2 |
20 |
- |
|
150 |
180 |
75 |
85 |
105 |
60或GE60ES |
70 |
M64×2 |
70 |
75 |
75 |
92 ▲102 |
420 ▲440 |
M33×2 |
22 |
- |
|
160 |
194 |
80 |
90 |
110 |
60或GE60ES |
70 |
M68×2 |
75 |
70 |
75 |
100 |
435 |
M33×2 |
22 |
- |
|
180 |
219 |
90 |
100 |
125 |
70或GE70ES |
80 |
M76×3 |
85 |
89 |
85 |
107 |
480 |
M42×2 |
24 |
- |
|
200 |
245 |
100 |
110 |
140 |
80或GE80ES |
90 |
M85×3 |
95 |
100 |
95 |
110 |
510 |
M42×2 |
24 |
- |
|
220 |
273 |
110 |
125 |
160 |
90或GE90ES |
100 |
M95×3 |
105 |
110 |
105 |
120 |
560 |
M42×2 |
24 |
- |
|
250 |
299 |
125 |
170 |
180 |
100或GE100ES |
110 |
M105×3 |
115 |
122 |
115 |
135 |
614 |
M42×2 |
25 |
- |
※活塞杆端为外螺纹连接的工程油缸外形安装尺寸表(铰轴、端部、中部法兰)
|
缸径 |
L15 |
L16 |
L11 |
L17 |
φ3 |
φ4 |
φ5 |
H3 |
L21 |
n-φ6 |
L31 |
L32 |
S1 |
|
80 |
125 |
185 |
275 |
25 |
115 |
145 |
175 |
20 |
81 |
8-φ13.5 |
>215 <160+S |
>200 <190+S |
55 |
|
90 |
140 |
200 |
280 ▲300 |
25 |
130 |
160 |
190 |
20 |
82 ▲92 |
8-φ13.5 |
>225 <165+S |
>210 <195+S |
60 |
|
100 |
155 |
230 |
310 ▲330 |
30 |
145 |
180 |
210 |
20 |
88 ▲98 |
8-φ18 |
>250 <170+S |
>230 <210+S |
80 |
|
110 |
170 |
245 |
330 ▲350 |
30 |
160 |
195 |
225 |
22 |
95 ▲105 |
8-φ18 |
>260 <190+S |
>240 <225+S |
70 |
|
125 |
185 |
260 |
340 |
30 |
175 |
210 |
240 |
22 |
98 |
10-φ18 |
>255 <200+S |
>235 <240+S |
55 |
|
140 |
200 |
290 |
370 ▲390 |
35 |
190 |
225 |
260 |
24 |
108 ▲ 118 |
10-φ20 |
>290 <210+S |
>265 <250+S |
80 |
|
150 |
215 |
305 |
385 ▲405 |
35 |
205 |
245 |
285 |
26 |
114 ▲ 124 |
10-φ22 |
>305 <225+S |
>285 <265+S |
80 |
|
160 |
230 |
320 |
400 |
35 |
220 |
260 |
300 |
28 |
119 |
10-φ22 |
>310 <240+S |
>290 <280+S |
70 |
|
180 |
255 |
360 |
440 |
42 |
245 |
285 |
325 |
30 |
130 |
10-φ24 |
>345 <255+S |
>320 <300+S |
90 |
|
200 |
285 |
405 |
460 |
40 |
275 |
320 |
365 |
32 |
143 |
10-φ26 |
>365 <265+S |
>340 <315+S |
100 |
|
220 |
320 |
455 |
503 |
53 |
305 |
355 |
405 |
34 |
156 |
10-φ29 |
>395 <285+S |
>365 <340+S |
100 |
|
250 |
350 |
500 |
547 |
55 |
330 |
390 |
450 |
36 |
171 |
12-φ32 |
>430 <315+S |
>395 <375+S |
105 |
※工程液压油缸外形安装连接尺寸图(活塞杆端为外螺纹杆头耳环连接)

※活塞杆端为外螺纹杆头耳环连接的工程液压缸外形安装尺寸表(缸头耳环)
|
缸径 |
φ |
dΨ=1.33 |
dΨ=1.46 |
dΨ=2 |
d1 |
R×b |
L6 |
M2 |
L10 |
L5 |
L7 |
L2 |
2-M1 |
H1 |
φ1 |
|
40 |
57 |
20 |
22 |
※25 |
20或GE20ES |
25 |
30 |
M16×1.5 |
50 |
30 |
65 |
255 |
M14×1.5 |
15 |
65 |
|
50 |
68 |
25 |
28 |
※32 |
30或GE30ES |
35 |
40 |
M22×1.5 |
60 |
40 |
65 |
280 |
M18×1.5 |
15 |
75 |
|
63 |
83 |
32 |
35 |
45 |
30或GE30ES |
35 |
40 |
M27×1.5 |
65 |
40 |
65 |
295 |
M18×1.5 |
15 |
90 |
|
80 |
102 |
40 |
45 |
55 |
40或GE40ES |
45 |
50 |
M33×1.5 |
80 |
50 |
75 △65 |
347 |
M22×1.5 |
18 |
100 |
|
90 |
114 |
45 |
50 |
63 |
40或GE40ES |
45 |
50 |
M36×2 |
95 |
50 |
66 ▲76 |
357 ▲377 |
M22×1.5 |
18 |
- |
|
100 |
127 |
50 |
55 |
70 |
50或GE50ES |
60 |
65 |
M42×2 |
110 |
60 |
72 ▲82 |
402 ▲422 |
M27×2 |
20 |
- |
|
110 |
140 |
55 |
63 |
80 |
50或GE50ES |
60 |
65 |
M48×2 |
115 |
60 |
77 ▲87 |
422 ▲442 |
M27×2 |
20 |
- |
|
125 |
152 |
63 |
70 |
90 |
50或GE50ES |
60 |
65 |
M52×2 |
140 |
60 |
78 |
452 |
M27×2 |
20 |
- |
|
140 |
168 |
70 |
80 |
100 |
60或GE60ES |
70 |
75 |
M60×1.52 |
155 |
70 |
85 ▲95 |
498 ▲518 |
M27×2 |
20 |
- |
|
150 |
180 |
75 |
85 |
105 |
60或GE60ES |
70 |
75 |
M64×2 |
160 |
75 |
92 ▲102 |
513 ▲533 |
M33×2 |
22 |
- |
|
160 |
194 |
80 |
90 |
110 |
60或GE60ES |
70 |
75 |
M68×2 |
170 |
70 |
100 |
533 |
M33×2 |
22 |
- |
|
180 |
219 |
90 |
100 |
125 |
70或GE70ES |
80 |
85 |
M76×3 |
190 |
89 |
107 |
588 |
M42×2 |
24 |
- |
|
200 |
245 |
100 |
110 |
140 |
80或GE80ES |
90 |
95 |
M85×3 |
210 |
100 |
110 |
628 |
M42×2 |
24 |
- |
|
220 |
273 |
110 |
125 |
160 |
90或GE90ES |
100 |
105 |
M95×3 |
230 |
110 |
120 |
690 |
M42×2 |
24 |
- |
|
250 |
299 |
125 |
170 |
180 |
100或GE100ES |
110 |
120 |
M105×3 |
250 |
122 |
135 |
754 |
M42×2 |
25 |
- |
※活塞杆端为外螺纹杆头耳环连接的工程油缸外形安装尺寸表(铰轴、端部、中部法兰)
|
缸径 |
L15 |
L16 |
L12 |
L17 |
φ3 |
φ4 |
φ5 |
H3 |
L22 |
n-φ6 |
L33 |
L34 |
S1 |
|
80 |
125 |
185 |
322 |
25 |
115 |
145 |
175 |
20 |
128 |
8-φ13.5 |
>260 <205+S |
>245 <235+S |
55 |
|
90 |
140 |
200 |
322 ▲352 |
25 |
130 |
160 |
190 |
20 |
134 ▲144 |
8-φ13.5 |
>275 <215+S |
>260 <245+S |
60 |
|
100 |
155 |
230 |
372 ▲392 |
30 |
145 |
180 |
210 |
20 |
150 ▲160 |
8-φ18 |
>310 <230+S |
>290 <270+S |
80 |
|
110 |
170 |
245 |
392 ▲412 |
30 |
160 |
195 |
225 |
22 |
157 ▲167 |
8-φ18 |
>320 <250+S |
>300 <285+S |
70 |
|
125 |
185 |
260 |
422 |
30 |
175 |
210 |
240 |
22 |
180 |
10-φ18 |
>335 <280+S |
>315 <320+S |
55 |
|
140 |
200 |
290 |
463 ▲483 |
35 |
190 |
225 |
260 |
24 |
201 ▲211 |
10-φ20 |
>385 <305+S |
>360 <345+S |
80 |
|
150 |
215 |
305 |
478 ▲498 |
35 |
205 |
245 |
285 |
26 |
207 ▲217 |
10-φ22 |
>400 <320+S |
>380 <360+S |
80 |
|
160 |
230 |
320 |
498 |
35 |
220 |
260 |
300 |
28 |
217 |
10-φ22 |
>410 <340+S |
>390 <380+S |
70 |
|
180 |
255 |
360 |
548 |
42 |
245 |
285 |
325 |
30 |
238 |
10-φ24 |
>455 <365+S |
>430 <410+S |
90 |
|
200 |
285 |
405 |
578 |
40 |
275 |
320 |
365 |
32 |
261 |
10-φ26 |
>485 <385+S |
>460 <435+S |
100 |
|
220 |
320 |
455 |
633 |
53 |
305 |
355 |
405 |
34 |
285 |
10-φ29 |
>525 <415+S |
>495 <470+S |
100 |
|
250 |
350 |
500 |
687 |
53 |
330 |
390 |
450 |
36 |
311 |
12-φ32 |
>570 <455+S |
>535 <515+S |
105 |
※工程液压油缸外形安装连接尺寸图(活塞杆端为内螺纹连接 )

※活塞杆端为内螺纹连接的工程液压缸外形安装尺寸表(缸头耳环)
|
缸径 |
φ |
dΨ=1.33 |
dΨ=1.46 |
dΨ=2 |
d1 |
R×b |
L6 |
M2 |
M3 |
L9 |
L5 |
L7 |
L3 |
2-M1 |
H1 |
φ1 |
|
63 |
83 |
32 |
35 |
45 |
30或GE30ES |
35 |
40 |
M27×1.5 |
M24×1.5 |
35 |
40 |
65 |
218 |
M18×1.5 |
15 |
90 |
|
80 |
102 |
40 |
45 |
55 |
40或GE40ES |
45 |
50 |
M33×1.5 |
M30×1.5 |
40 |
50 |
75 △65 |
255 |
M22×1.5 |
18 |
110 |
|
90 |
114 |
45 |
50 |
63 |
40或GE40ES |
45 |
50 |
M36×2 |
M33×1.5 |
50 |
50 |
66 ▲76 |
260 ▲280 |
M22×1.5 |
18 |
- |
|
100 |
127 |
50 |
55 |
70 |
50或GE50ES |
60 |
65 |
M42×2 |
M36×2 |
55 |
60 |
72 ▲82 |
290 ▲310 |
M27×2 |
20 |
- |
|
110 |
140 |
55 |
63 |
80 |
50或GE50ES |
60 |
65 |
M48×2 |
M42×2 |
60 |
60 |
77 ▲87 |
305 ▲325 |
M27×2 |
20 |
- |
|
125 |
152 |
63 |
70 |
90 |
50或GE50ES |
60 |
65 |
M52×2 |
M48×2 |
65 |
60 |
78 |
310 |
M27×2 |
20 |
- |
|
140 |
168 |
70 |
80 |
100 |
60或GE60ES |
70 |
75 |
M60×2 |
M52×2 |
70 |
70 |
85 ▲95 |
340 ▲360 |
M27×2 |
20 |
- |
|
150 |
180 |
75 |
85 |
105 |
60或GE60ES |
70 |
75 |
M64×2 |
M60×2 |
75 |
75 |
92 ▲102 |
350 ▲370 |
M33×2 |
22 |
- |
|
160 |
194 |
80 |
90 |
110 |
60或GE60ES |
70 |
75 |
M68×2 |
M64×2 |
80 |
70 |
100 |
360 |
M33×2 |
22 |
- |
|
180 |
219 |
90 |
100 |
125 |
70或GE70ES |
80 |
85 |
M76×3 |
M68×2 |
90 |
89 |
107 |
395 |
M42×2 |
24 |
- |
|
200 |
245 |
100 |
110 |
140 |
80或GE80ES |
90 |
95 |
M85×3 |
M76×3 |
100 |
100 |
110 |
415 |
M42×2 |
24 |
- |
|
220 |
273 |
110 |
125 |
160 |
90或GE90ES |
100 |
105 |
M95×3 |
M85×3 |
110 |
110 |
120 |
455 |
M42×2 |
24 |
- |
|
250 |
299 |
125 |
170 |
180 |
100或GE100ES |
110 |
120 |
M105×3 |
M95×3 |
120 |
122 |
135 |
499 |
M42×2 |
25 |
- |
※活塞杆端为内螺纹连接的工程油缸外形安装尺寸表(铰轴、端部、中部法兰)
|
缸径 |
L15 |
L16 |
L13 |
L17 |
φ3 |
φ4 |
φ5 |
H3 |
L23 |
n-φ6 |
L35 |
L36 |
s |
|
80 |
125 |
185 |
230 |
25 |
115 |
145 |
175 |
20 |
36 |
8-φ13.5 |
>170 <115+S |
>155 <145+S |
55 |
|
90 |
140 |
200 |
235 ▲255 |
25 |
130 |
160 |
190 |
20 |
37 ▲47 |
8-φ13.5 |
>180 <120+S |
>165 <150+S |
60 |
|
100 |
155 |
230 |
260 ▲280 |
30 |
145 |
180 |
210 |
20 |
38 ▲48 |
8-φ18 |
>200 <120+S |
>180 <160+S |
80 |
|
110 |
170 |
245 |
275 ▲295 |
30 |
160 |
195 |
225 |
22 |
40 ▲50 |
8-φ18 |
>205 <135+S |
>185 <170+S |
70 |
|
125 |
185 |
260 |
280 |
30 |
175 |
210 |
240 |
22 |
38 |
10-φ18 |
>195 <140+S |
>175 <180+S |
55 |
|
140 |
200 |
290 |
305 ▲325 |
35 |
190 |
225 |
260 |
24 |
43 ▲53 |
10-φ20 |
>225 <145+S |
>200 <185+S |
80 |
|
150 |
215 |
305 |
315 ▲335 |
35 |
205 |
245 |
285 |
26 |
44 ▲45 |
10-φ22 |
>235 <155+S |
>215 <195+S |
80 |
|
160 |
230 |
320 |
325 |
35 |
220 |
260 |
300 |
28 |
44 |
10-φ22 |
>235 <165+S |
>215 <205+S |
70 |
|
180 |
255 |
360 |
355 |
42 |
245 |
285 |
325 |
30 |
45 |
10-φ24 |
>260 <170+S |
>235 <235+S |
90 |
|
200 |
285 |
405 |
365 |
40 |
275 |
320 |
365 |
32 |
48 |
10-φ26 |
>270 <170+S |
>245 <220+S |
100 |
|
220 |
320 |
455 |
398 |
53 |
305 |
355 |
405 |
34 |
50 |
10-φ29 |
>290 <180+S |
>260 <235+S |
100 |
|
250 |
350 |
500 |
432 |
53 |
330 |
390 |
450 |
36 |
55 |
12-φ32 |
>315 <200+S |
>280 <260+S |
105 |
※工程液压油缸外形安装连接尺寸图(活塞杆端为内螺纹杆头耳环连接)

※活塞杆端为内螺纹杆头耳环连接的液压缸外形安装尺寸表(缸体耳环)
|
缸径 |
φ |
dΨ=1.33 |
dΨ=1.46 |
dΨ=2 |
d1 |
R×b |
L6 |
M2 |
M3 |
L9 |
L5 |
L7 |
L4 |
2-M1 |
H1 |
φ1 |
|
40 |
57 |
- |
22 |
※25 |
20或GE20ES |
25 |
30 |
整体式活塞杆 |
30 |
65 |
218 |
M14×1.5 |
15 |
65 |
||
|
50 |
68 |
- |
28 |
※32 |
30或GE30ES |
35 |
40 |
40 |
65 |
240 |
M18×1.5 |
15 |
75 |
|||
|
63 |
83 |
32 |
35 |
45 |
30或GE30ES |
35 |
40 |
M27×1.5 |
M24×1.5 |
35 |
40 |
65 |
270 |
M18×1.5 |
15 |
90 |
|
80 |
102 |
40 |
45 |
55 |
40或GE40ES |
45 |
50 |
M33×1.5 |
M30×1.5 |
40 |
50 |
75 △65 |
317 |
M22×1.5 |
18 |
110 |
|
90 |
114 |
45 |
50 |
63 |
40或GE40ES |
45 |
50 |
M36×2 |
M33×1.5 |
50 |
50 |
66 ▲76 |
312 ▲332 |
M22×1.5 |
18 |
- |
|
100 |
127 |
50 |
55 |
70 |
50或GE50ES |
60 |
65 |
M42×2 |
M36×2 |
55 |
60 |
72 ▲82 |
357 ▲377 |
M27×2 |
20 |
- |
|
110 |
140 |
55 |
63 |
80 |
50或GE50ES |
60 |
65 |
M48×2 |
M42×2 |
60 |
60 |
77 ▲87 |
372 ▲392 |
M27×2 |
20 |
- |
|
125 |
152 |
63 |
70 |
90 |
50或GE50ES |
60 |
65 |
M52×2 |
M48×2 |
65 |
60 |
78 |
377 |
M27×2 |
20 |
- |
|
140 |
168 |
70 |
80 |
100 |
60或GE60ES |
70 |
75 |
M60×2 |
M52×2 |
70 |
70 |
85 ▲95 |
418 ▲438 |
M27×2 |
20 |
- |
|
150 |
180 |
75 |
85 |
105 |
60或GE60ES |
70 |
75 |
M64×2 |
M60×2 |
75 |
75 |
92 ▲102 |
428 ▲448 |
M33×2 |
22 |
- |
|
160 |
194 |
80 |
90 |
110 |
60或GE60ES |
70 |
75 |
M68×2 |
M64×2 |
80 |
70 |
100 |
438 |
M33×2 |
22 |
- |
|
180 |
219 |
90 |
100 |
125 |
70或GE70ES |
80 |
85 |
M76×3 |
M68×2 |
90 |
89 |
107 |
483 |
M42×2 |
24 |
- |
|
200 |
245 |
100 |
110 |
140 |
80或GE80ES |
90 |
95 |
M85×3 |
M76×3 |
100 |
100 |
110 |
513 |
M42×2 |
24 |
- |
|
220 |
273 |
110 |
125 |
160 |
90或GE90ES |
100 |
105 |
M95×3 |
M85×3 |
110 |
110 |
120 |
565 |
M42×2 |
24 |
- |
|
250 |
299 |
125 |
170 |
180 |
100或GE100ES |
110 |
120 |
M105×3 |
M95×3 |
120 |
122 |
135 |
624 |
M42×2 |
25 |
- |
※活塞杆端为内螺纹杆头耳环连接的油缸外形安装尺寸表(铰轴、端部、中部法兰)
|
缸径 |
L15 |
L16 |
L14 |
L17 |
φ3 |
φ4 |
φ5 |
H3 |
L24 |
n-φ6 |
L37 |
L38 |
s |
|
80 |
125 |
185 |
292 |
25 |
115 |
145 |
175 |
20 |
98 |
8-φ13.5 |
>230 <175+S |
>215 <205+S |
55 |
|
90 |
140 |
200 |
287 ▲307 |
25 |
130 |
160 |
190 |
20 |
89 ▲99 |
8-φ13.5 |
>230 <170+S |
>215 <200+S |
60 |
|
100 |
155 |
230 |
327 ▲347 |
30 |
145 |
180 |
210 |
20 |
105 ▲115 |
8-φ18 |
>265 <185+S |
>245 <225+S |
80 |
|
110 |
170 |
245 |
342 ▲362 |
30 |
160 |
195 |
225 |
22 |
107 ▲117 |
8-φ18 |
>270 <200+S |
>250 <235+S |
70 |
|
125 |
185 |
260 |
347 |
30 |
175 |
210 |
240 |
22 |
105 |
10-φ18 |
>260 <205+S |
>240 <245+S |
55 |
|
140 |
200 |
290 |
383 ▲403 |
35 |
190 |
225 |
260 |
24 |
121 ▲131 |
10-φ20 |
>305 <225+S |
>280 <265+S |
80 |
|
150 |
215 |
305 |
393 ▲413 |
35 |
205 |
245 |
285 |
26 |
122 ▲132 |
10-φ22 |
>315 <235+S |
>295 <275+S |
80 |
|
160 |
230 |
320 |
403 |
35 |
220 |
260 |
300 |
28 |
122 |
10-φ22 |
>315 <245+S |
>295 <285+S |
70 |
|
180 |
255 |
360 |
443 |
42 |
245 |
285 |
325 |
30 |
133 |
10-φ24 |
>350 <260+S |
>325 <305+S |
90 |
|
200 |
285 |
405 |
463 |
40 |
275 |
320 |
365 |
32 |
146 |
10-φ26 |
>370 <220+S |
>345 <320+S |
100 |
|
220 |
320 |
455 |
508 |
53 |
305 |
355 |
405 |
34 |
160 |
10-φ29 |
>400 <290+S |
>370 <345+S |
100 |
|
250 |
350 |
500 |
557 |
53 |
330 |
390 |
450 |
36 |
181 |
12-φ32 |
>440 <325+S |
>405 <385+S |
105 |