|
|
|
|
|
| 底部圆法兰.杆端关节轴承 | 中间耳轴.杆端外螺纹 | 前后耳环.杆端同侧进油 | 杆端U型叉.中间耳轴 |
![]() |
![]() |
![]() |
![]() |
| 杆端对侧进出油.后耳环 | 杆端关节轴承.中间耳轴 | 杆端对侧进油.中间耳轴 | 杆端球头.中间耳轴进油 |
![]() |
![]() |
![]() |
![]() |
| 前法兰.杆端对侧进油 | 底部法兰.杆端对侧进油 | 前后耳环.油缸筒进油 | 前后脚架.杆端对侧进油 |
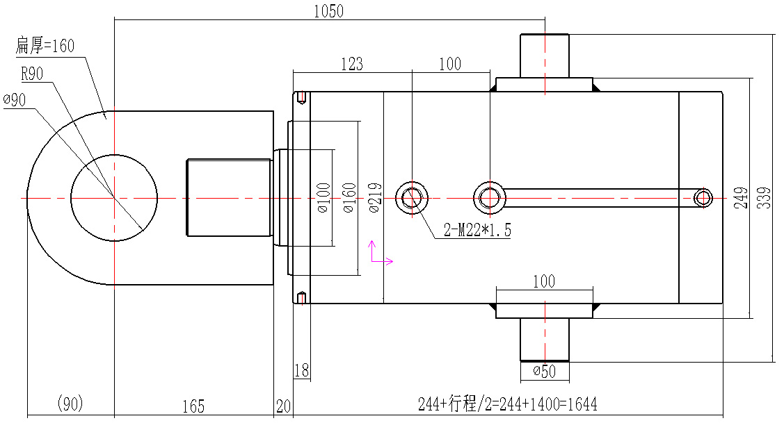
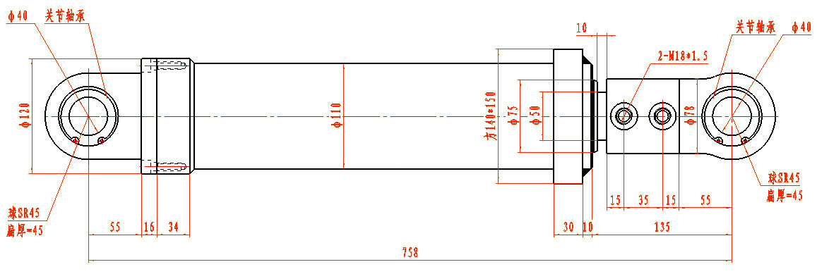
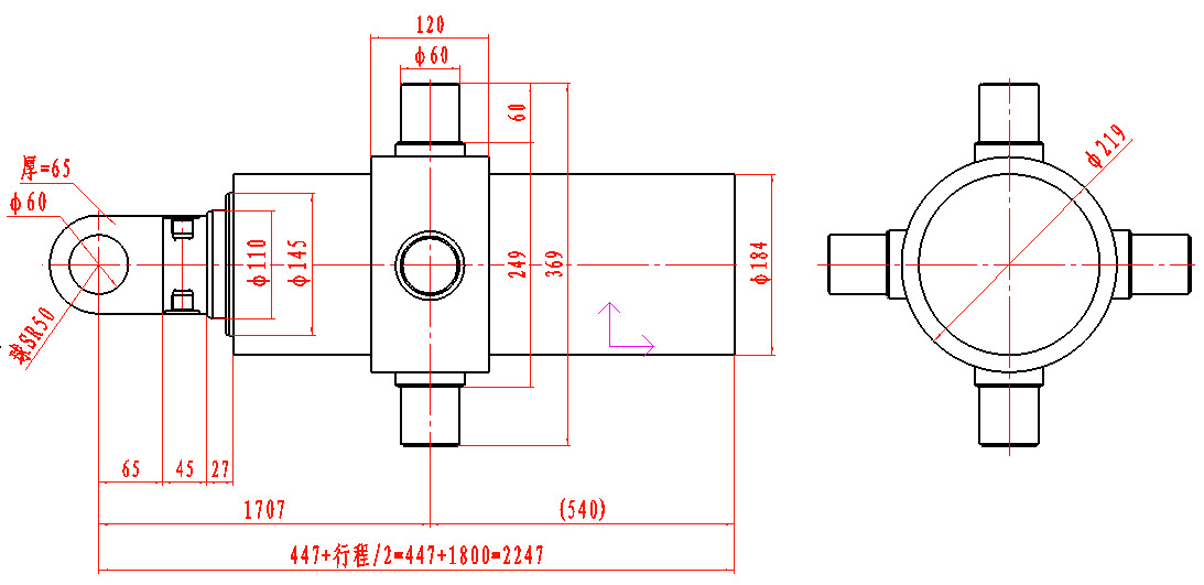
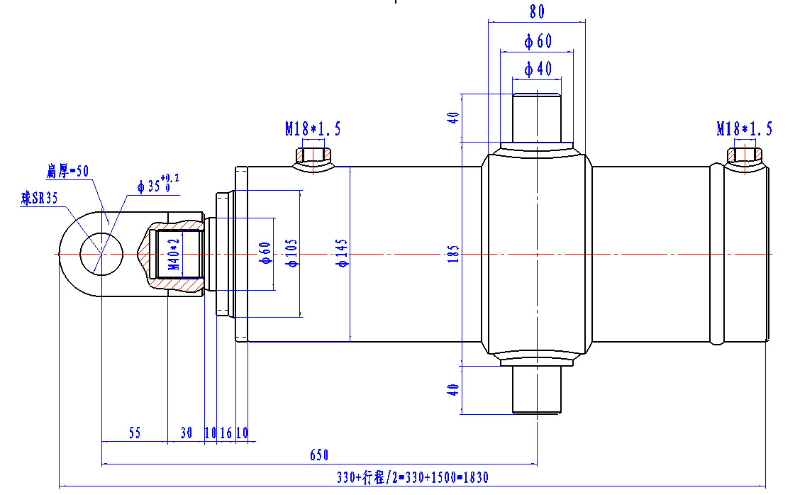
选型指南
● 1.用户根据自已使用的工况条件确定多级伸缩油缸采用单作用或双作用(单作用:
上升靠液压力,下降或回程靠自重或外力;双作用:上升或下降均靠液压力)。
2.用户应估算出伸缩液压缸所需推力及拉力大小,从而来确定伸缩油缸最小节活
塞杆的大小(可由我方技术人员辅助确定)。
3.用户应估算出多节伸缩油缸动作行程是多少,油缸总长最大为多少,在总长限制
的情况下确定伸缩油缸的级数,即采用二级或三级或多级伸缩油缸(可由我方技
术人员辅助确定)。
4.用户最后应确定伸缩液压油缸的安装方式,常用安装方式有:①活塞杆前端:外
螺纹;单耳环;双耳环;球头;法兰等,②油缸筒:前法兰;后法兰;中间法兰;缸尾
单耳环;缸尾双耳环;中间耳轴;前后脚架等 。
※型号选择(双作用多级伸缩套筒液压缸)
4TSG -
100.80.60.40 × 1200
4
–多级缸级数:4级伸缩液压油缸
TSG
–公司自定伸缩油缸型号(可根据用户要求制作),TG:单作用伸缩油缸,TMG:末级双作用伸缩油缸,TSG:双作用
伸缩油缸
100.80.60.40
–伸出活塞杆直径(mm):100(第一节),80(
第二节),60(第三节),40(
第四节)
1200
–总行程(mm)
※TSG系列双作用多级伸缩液压缸外形连接尺寸图(以下图纸为随机选择根据用户要求设计图,仅供参考)

1.双作用三级伸缩油缸(3TSG-30.60.90
×1140)(前后单耳环型,后耳带关节轴承,进出油口在油缸筒)

2.双作用三级伸缩油缸(3TSG-40.70.100×1452)(前后单耳环型,进出油口在油缸筒)

3.双作用二级伸缩液压油缸(2TSG-30.60×800)(前后耳环型,进出油口在油缸筒)

4.双作用三级伸缩油缸(3TSG-60.90.125×2202)(前后单耳环型,进出油口在油缸筒)

5.双作用三级伸缩油缸(3TSG-56.80.105×2100)(前后单耳环型,前后耳均带关节轴承,进出油口在活塞杆端)

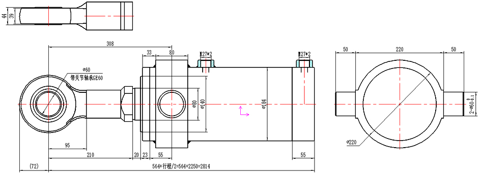
6.双作用三级伸缩油缸(3TSG-56.80.105×1431)(前单耳环-中间耳轴,前耳环带关节轴承,进出油口在活塞杆端)

7.双作用三级伸缩油缸(3TSG-80.105.130×1800)(前后单耳环型,前后耳环均带关节轴承,进出油口在活塞杆端)

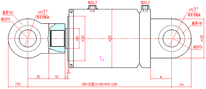
8.双作用三级伸缩油缸(3TSG-63.105.145×2400)(前后单耳环型,前后耳环均带关节轴承,进出油口在活塞杆端)

9.双作用二级伸缩油缸(2TSG-60.100×800)(前后单耳环型,前后耳环均带关节轴承,进出油口在油缸筒)

10.双作用二级伸缩油缸(2TSG-55.105×2020)(前 单耳环-中间耳轴型,前耳环带关节轴承,进出油口在油缸筒)

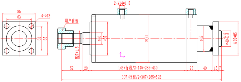
11.双作用二级伸缩液压缸(2TSG-30.85×570)(杆端外螺纹-后方法兰型,进出油口在油缸筒)

12.双作用二级伸缩缸(2TSG-80.140×2020)(前 单耳环-中间耳轴型,前耳环带关节轴承,进出油口在油缸筒)

13.双作用二级伸缩油缸(2TSG-80.180×1600)(前后单耳环型,前后耳环均带关节轴承,进出油口在油缸筒)

14.双作用二节伸缩油缸(2TSG-55.105×2000)(杆端圆法兰-缸底圆法兰型,进出油口在油缸筒)

15.双作用二节伸缩液压缸(2TSG-100.160×2800)(杆端 单耳环-中间耳轴型,进出油口在油缸筒)

16.双作用三节伸缩油缸(3TSG-60.90.125×1200)(杆端外螺纹-缸底长方法兰型,进出油口在油缸筒)

17.双作用二级伸缩液压油缸(2TSG-50.75×780)(前后 单耳环型,前后耳环均装关节轴承,进出油口在活塞杆端)

18.双作用四级伸缩液压油缸(4TSG-75.100.125.150×1500)(前后 单耳环型,进出油口在活塞杆端部)

19.双作用二级伸缩液压油缸(2TSG-110.145×3600)(杆端 单耳环-中间双耳轴型,进出油口在活塞杆端)

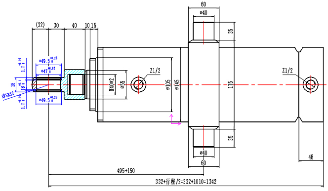
20.双作用二级伸缩液压油缸(2TSG-60.105×3000)(杆端 单耳环-中间耳轴型,进出油口在油缸筒)

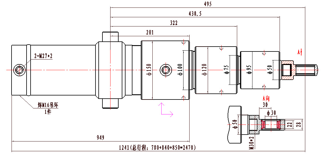
21.双作用三级伸缩液压油缸(3TSG-50.75.100×2470)(杆端 单耳环-中间耳轴型,杆端耳环带关节轴承,进出油口在油缸筒)

22.双作用三级伸缩液压油缸(3TSG-40.60.80×3435)(杆端外螺纹-前后轴向脚架型,进出油口在油缸筒)